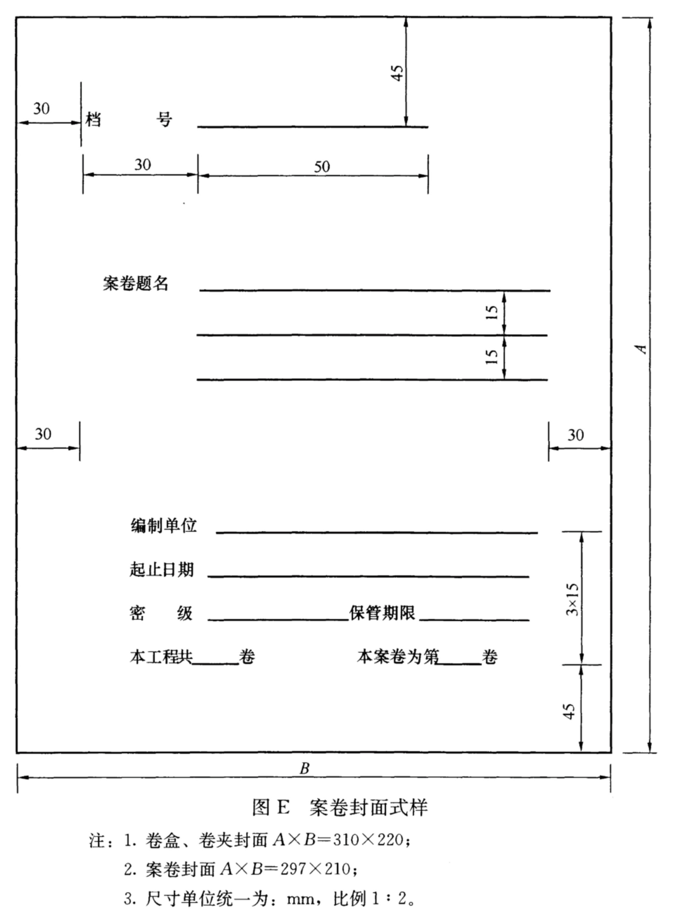
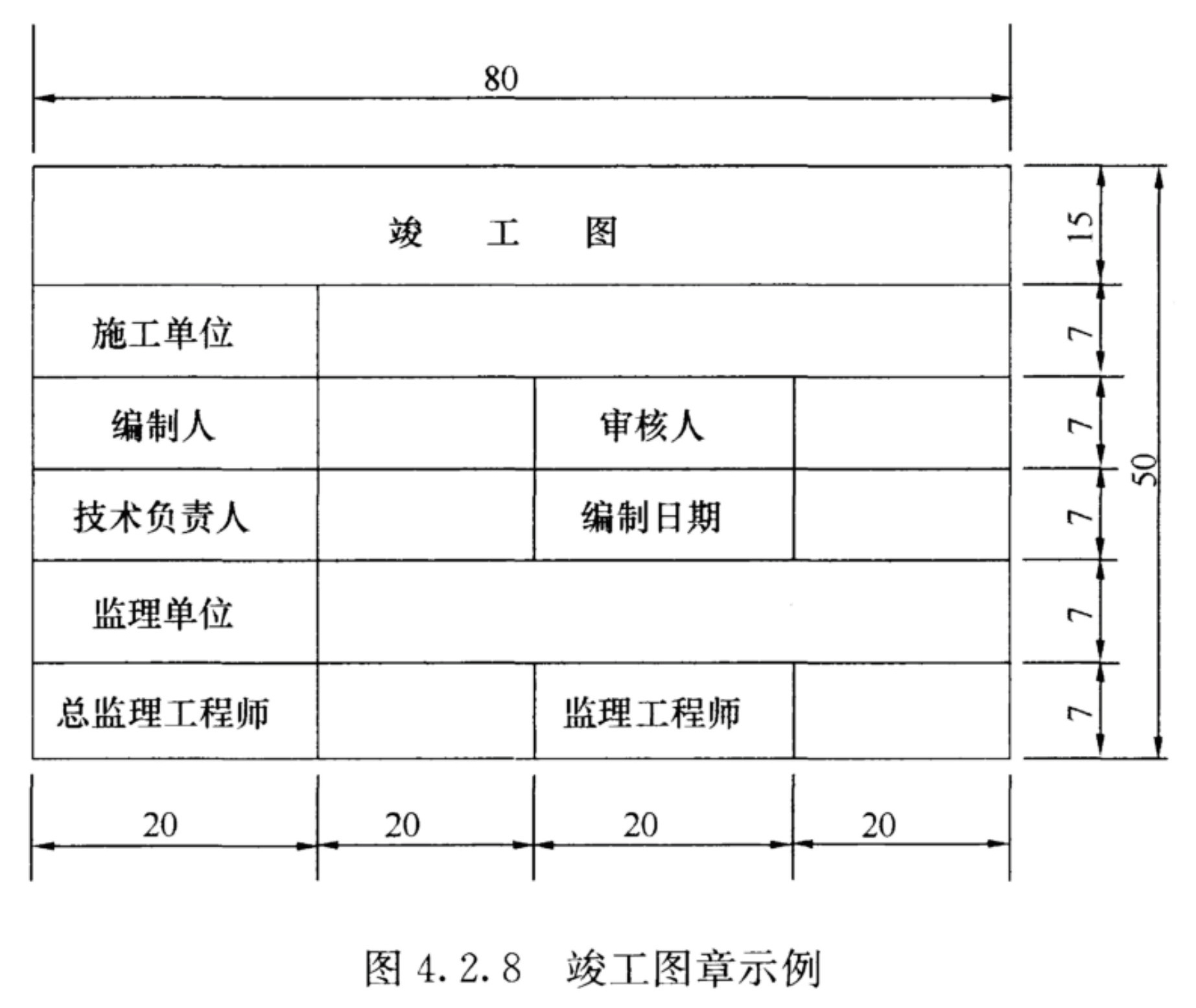
前言中华人民共和国国家标准 建设工程文件归档规范 Code for putting construction project documents into records GB/T50328-2014 主编部门:中华人民共和国住房和城乡建设部 批准部门:中华人民共和国住房和城乡建设部 施行日期:2015年5月1日 中华人民共和国住房和城乡建设部公告 2019年 第306号 住房和城乡建设部关于发布国家标准《建设工程文件归档规范》局部修订的公告 现批准国家标准《建设工程文件归档规范》(GB/T50328-2014)局部修订的条文,自2020年3月1日起实施。经此次修订的原条文同时废止。 局部修订条文及具体内容在住房和城乡建设部门户网站(www.mohurd.gov.cn)公开,并将刊登在近期出版的《工程建设标准化》刊物上。 中华人民共和国住房和城乡建设部 根据住房和城乡建设部《关于印发〈2012年工程建设标准规范制订修订计划〉的通知》(建标【2012】5号)的要求,编制组经广泛调查研究,认真总结实践经验,参考有关国际标准和国外先进标准,并在广泛征求意见基础上,修订本规范。2019年11月29日 本规范主要内容是:建设工程归档文件范围及质量要求,工程文件的立卷,工程文件的归档,工程档案的验收与移交。 本规范修订的主要技术内容是:1.增加了对归档电子文件的质量要求及其立卷方法;2.对工程文件的归档范围进行了细分,将所有建设工程按照建筑工程、道路工程、桥梁工程、地下管线工程四个类别,分别对归档范围进行了规定;3.对各类归档文件赋予了编号体系;4.对各类工程文件,提出了不同单位“必须归档”和“选择性归档”的区分;5.增加了关于立卷流程和编制案卷目录的要求。 本规范由住房和城乡建设部负责管理,由住房和城乡建设部城建档案工作办公室负责具体技术内容的解释。执行过程中如有意见或建议,请寄送住房和城乡建设部城建档案工作办公室(地址:北京市海淀区三里河路9号,邮政编码:100835)。 本规范主编单位:住房和城乡建设部城建档案工作办公室 住房和城乡建设部科技与产业化发展中心 本规范参编单位:南京市城建档案馆 芜湖市城建档案馆 江西省住房城乡建设厅城建档案办公室 抚顺市城建档案馆 中国建筑业协会建设工程质量监督与检测分会 南宁市城建档案馆 北京市城建档案馆 河北省城建档案馆 长春市城建档案馆 武汉市城建档案馆 北京建科研软件技术有限公司 本规范主要起草人员:姜中桥 张志新 欧阳志宏 周健民 黄飞 王恩江 罗敏 李向红 易智华 吴松勤 鹿欣 许利峰 陈明琪 李新民 张海萍 夏开元 王玉恒 白石 本规范主要审查人员:权进立 秦屹梅 尚春明 王燕民 姜延溪 王健 楼建春 谭家发 王瑛 李宗波 1 总则1.0.1 为加强建设工程文件归档工作,统一建设工程档案的验收标准,建立真实、完整、准确的工程档案,制定本规范。1.0.2 本规范适用于建设工程文件的整理、归档,以及建设工程档案的验收与移交。 1.0.3 建设工程文件的整理、归档以及建设工程档案的验收与移交除应符合本规范外,尚应符合国家现行有关标准的规定。 条文说明 1.0.3 建设工程文件归档除执行本规范外,尚应执行《科学技术档案案卷构成的一般要求》GB/T11822、《技术制图复制图的折叠方法》GB/T10609.3、《建设电子文件与电子档案管理规范》CJJ/T117、《城建档案业务管理规范》CJJ/T158、《建设电子档案元数据标准》CJJ/T187等规范的规定。2 术语2.0.1 建设工程 construction project经批准按照一个总体设计进行施工,经济上实行统一核算,行政上具有独立组织形式,实行统一管理的建设工程基本单位。它由一个或若干个具有内在联系的单位工程所组成。 2.0.2 建设工程文件 construction project document 在工程建设过程中形成的各种形式的信息记录,包括工程准备阶段文件、监理文件、施工文件、竣工图和竣工验收文件,简称为工程文件。 2.0.3 工程准备阶段文件 pre-construction document 工程开工以前,在立项、审批、用地、勘察、设计、招投标等工程准备阶段形成的文件。 2.0.4 监理文件 project supervision document 监理单位在工程设计、施工等监理过程中形成的文件。 2.0.5 施工文件constructing document 施工单位在施工过程中形成的文件。 2.0.6 竣工图 as-built drawing 工程竣工验收后,真实反映建设工程施工结果的图样。 2.0.7 竣工验收文件 handing over document 建设工程项目竣工验收活动中形成的文件。 2.0.8 建设工程档案 project archives 在工程建设活动中直接形成的具有归档保存价值的文字、图纸、图表、声像、电子文件等各种形式的历史记录,简称工程档案。 2.0.9 建设工程电子文件 project electronic records 在工程建设过程中通过数字设备及环境生成,以数码形式存拆除。 2.0.19 短期保管short-erm preservation 工程档案保管期限的一种,指工程档案保存10年以下。 条文说明 2.0.15 对一个建设工程而言,归档有两方面含义:一是建设、勘察、设计、施工、监理等单位将本单位在工程建设过程中形成的文件向本单位档案管理机构移交;二是勘察、设计、施工、监理等单位将本单位在工程建设过程中形成的文件向建设单位档案管理机构移交。3 基本规定3.0.1 工程文件的形成和积累应纳入工程建设管理的各个环节和有关人员的职责范围。3.0.2 工程文件应随工程建设进度同步形成,不得事后补编。 3.0.3 每项建设工程应编制一套电子档案,随纸质档案一并移交城建档案管理机构。电子档案签署了具有法律效力的电子印章或电子签名的,可不移交相应纸质档案。 3.0.4 建设单位应按下列流程开展工程文件的整理、归档、验收、移交等工作: 1 在工程招标及与勘察、设计、施工、监理等单位签订协议、合同时,应明确竣工图的编制单位、工程档案的编制套数、编制费用及承担单位、工程档案的质量要求和移交时间等内容; 2 收集和整理工程准备阶段形成的文件,并进行立卷归档; 3 组织、监督和检查勘察、设计、施工、监理等单位的工程文件的形成、积累和立卷归档工作; 4 收集和汇总勘察、设计、施工、监理等单位立卷归档的工程档案; 5 收集和整理竣工验收文件,并进行立卷归档; 6 在组织工程竣工验收前,应按本规范的要求将全部文件材料收集齐全并完成工程档案的立卷;在组织竣工验收时,应组织对工程档案进行验收,验收结论应在工程竣工验收报告、专家组竣工验收意见中明确; 7 对列入城建档案管理机构接收范围的工程,工程竣工验收备案前,应向当地城建档案管理机构移交一套符合规定的工程档案。 3.0.5 勘察、设计、施工、监理等单位应将本单位形成的工程文件立卷后向建设单位移交。 3.0.6 建设工程项目实行总承包管理的,总包单位应负责收集、汇总各分包单位形成的工程档案,并应及时向建设单位移交;各分包单位应将本单位形成的工程文件整理、立卷后及时移交总包单位。建设工程项目由几个单位承包的,各承包单位应负责收集、整理立卷其承包项目的工程文件,并应及时向建设单位移交。 3.0.6A 建设工程档案的验收应纳入建设工程竣工联合验收环节。 3.0.7 城建档案管理机构应对工程文件的立卷归档工作进行指导和服务,并按本规范的要求对建设单位移交的建设工程档案进行联合验收。 3.0.8 工程资料管理人员应经过工程文件归档整理的专业培训。 条文说明 3.0.3 建设工程电子文件的归档,应按本规范第4章、第5章、第6章的有关规定执行。城建档案管理机构应加快信息化建设进度,做好建设工程电子文件的接收、保管和利用工作。4 归档文件及其质量要求4.1 归档文件范围4.2 归档文件质量要求 4.1 归档文件范围4.1.1 对与工程建设有关的重要活动、记载工程建设主要过程和现状、具有保存价值的各种载体的文件,均应收集齐全、整理立卷后归档。4.1.2 工程文件的具体归档范围应符合本规范附录A和附录B的要求。 4.1.3 声像资料的归档范围和质量要求应符合现行行业标准《城建档案业务管理规范》CJJ/T158的要求。 4.1.4 不属于归档范围、没有保存价值的工程文件,文件形成单位可自行组织销毁。 条文说明 4.1.1 此条款为确定归档范围的基本原则。4.1.2 对本规范附录A建筑工程文件归档范围表和附录B市政工程文件归档范围表中所列城建档案管理机构接收范围,各城市可根据本地情况适当拓宽和缩减。 隧道、涵洞等工程文件的归档范围可参照本规范附录B执行。 在确定归档范围时,如果纸质档案的归档范围有所缩减,那么,电子档案的归档范围应保证不小于本规范附录A和附录B的范围。 4.2 归档文件质量要求4.2.1 归档的纸质工程文件应为原件。4.2.2 工程文件的内容及其深度应符合国家现行有关工程勘察、设计、施工、监理等标准的规定。 4.2.3 工程文件的内容必须真实、准确,应与工程实际相符合。 4.2.4 计算机输出文字、图件以及手工书写材料,其字迹的耐久性和耐用性应符合现行国家标准《信息与文献:纸张上书写、打印和复印字迹的耐久性和耐用性要求与测试方法》GB/T32004的规定。 4.2.5 工程文件应字迹清楚,图样清晰,图表整洁,签字盖章手续应完备。 4.2.6 工程文件中文字材料幅面尺寸规格宜为A4幅面(297mm×210mm)。图纸宜采用国家标准图幅。 4.2.7 工程文件的纸张,其耐久性和耐用性应符合现行国家标准《信息与文献档案纸耐久性和耐用性要求》GB/T24422的规定。 4.2.8 所有竣工图均应加盖竣工图章(图4.2.8),并应符合下列规定:
1 竣工图章的基本内容应包括:“竣工图”字样、施工单位、编制人、审核人、技术负责人、编制日期、监理单位、现场监理、总监。 2 竣工图章尺寸应为:50mm×80mm。 3 竣工图章应使用不易褪色的印泥,应盖在图标栏上方空白处。 4.2.9 竣工图的绘制与改绘应符合国家现行有关制图标准的规定。 4.2.10 归档的建设工程电子文件应采用或转换为表4.2.10所列文件格式。
4.2.11 归档的建设工程电子文件应包含元数据,保证文件的完整性和有效性。元数据应符合现行行业标准《建设电子档案元数据标准》CJJ/T187的规定。 4.2.12 归档的建设工程电子文件应采用电子签名等手段,所载内容应真实和可靠。 4.2.13 归档的建设工程电子文件的内容必须与其纸质档案一致。 4.2.14 建设工程电子文件离线归档的存储媒体,可采用移动硬盘、闪存盘、光盘、磁带等。 4.2.15 存储移交电子档案的载体应经过检测,应无病毒、无数据读写故障,并应确保接收方能通过适当设备读出数据。 条文说明 4.2.1 归档的纸质工程文件应该为原件。建设单位须向城建档案管理机构报送的立项文件、建设用地文件、开工审批文件可以为复制件,但应加盖建设单位印章。4.2.2 监理文件按现行国家标准《建设工程监理规范》GB/T50319编制;建筑工程文件按现行行业标准《建筑工程资料管理规范》JGJ/T185的要求编制;市政工程施工技术文件及其竣工验收文件按照原建设部印发的《市政工程施工技术资料管理规定》(建城【2002】221号)编制。竣工图的编制应按原国家建委1982年【建发施字50号】《关于编制基本建设竣工图的几项暂行规定》执行。地下管线工程竣工图的编制,应按现行行业标准《城市地下管线探测技术规程》CJ刀61中的有关规定执行。 4.2.12 电子签名是保证电子文件真实、准确、可靠的重要手段。为确保电子签名的法律效力,各单位应采用获得国家工业和信息化部、国家密码管理局等部门许可的电子认证机构发放的电子签章。为使各单位申办的电子签章在住房和城乡建设领域能够通行通用,避免重复购置,各单位可采用由住房城乡建设部科技发展促进中心主办的“全国建设行业电子认证平台”发放的电子签章。 4.2.14 适用于脱机存储电子档案的载体,按照保存寿命的长短和可靠程度的强弱,依次为:一次写光盘、磁带、可擦写光盘、硬磁盘。由于存储技术发展非常快,难以对存储载体进行严格要求,但对于需要长期保存的电子文档,应该保证存储载体的长久性和载体上记载内容的不可更改性。 4.2.15 除了防范病毒传播外,该条主要是保证电子文件数据能被接收方进行接收和阅读。 5 工程文件立卷5.1 立卷流程、原则和方法5.2 卷内文件排列 5.3 案卷编目 5.1 立卷流程、原则和方法5.1.1 立卷应按下列流程进行:1 对属于归档范围的工程文件进行分类,确定归入案卷的文件材料; 2 对卷内文件材料进行排列、编目、装订(或装盒); 3 排列所有案卷,形成案卷目录。 5.1.2 立卷应遵循下列原则: 1 立卷应遵循工程文件的自然形成规律和工程专业的特点,保持卷内文件的有机联系,便于档案的保管和利用; 2 工程文件应按不同的形成、整理单位及建设程序,按工程准备阶段文件、监理文件、施工文件、竣工图、竣工验收文件分别进行立卷,并可根据数量多少组成一卷或多卷; 3 一项建设工程由多个单位工程组成时,工程文件应按单位工程立卷; 4 不同载体的文件应分别立卷。 5.1.3 立卷应采用下列方法: 1 工程准备阶段文件应按建设程序、形成单位等进行立卷; 2 监理文件应按单位工程、分部工程或专业、阶段等进行立卷; 3 施工文件应按单位工程、分部(分项)工程进行立卷; 4 竣工图应按单位工程分专业进行立卷; 5 竣工验收文件应按单位工程分专业进行立卷; 6 电子文件立卷时,每个工程(项目)应建立多级文件夹,应与纸质文件在案卷设置上一致,并应建立相应的标识关系; 7 声像资料应按建设工程各阶段立卷,重大事件及重要活动的声像资料应按专题立卷,声像档案与纸质档案应建立相应的标识关系。 5.1.4 施工文件的立卷应符合下列要求: 1 专业承(分)包施工的分部、子分部(分项)工程应分别单独立卷; 2 室外工程应按室外建筑环境和室外安装工程单独立卷: 3 当施工文件中部分内容不能按一个单位工程分类立卷时,可按建设工程立卷。 5.1.5 不同幅面的工程图纸,应统一折叠成A4幅面(297mm×210mm)。应图面朝内,首先沿标题栏的短边方向以W形折叠,然后再沿标题栏的长边方向以W形折叠,并使标题栏露在外面。 5.1.6 案卷不宜过厚,文字材料卷厚度不宜超过20mm,图纸卷厚度不宜超过50mm。 5.1.7 案卷内不应有重份文件。印刷成册的工程文件宜保持原状。 5.1.8 建设工程电子文件的组织和排序可按纸质文件进行。 条文说明 5.1.2 建设工程项目中由多个单位工程组成时,公共部分的文件可以单独组卷;当单位工程档案出现重复时,原件可归人其中一个单位工程,其他单位工程不需要归档,但应说明清楚。5.2 卷内文件排列5.2.1 卷内文件应按本规范附录A和附录B的类别和顺序排列。5.2.2 文字材料应按事项、专业顺序排列。同一事项的请示与批复、同一文件的印本与定稿、主体与附件不应分开,并应按批复在前、请示在后,印本在前、定稿在后,主体在前、附件在后的顺序排列。 5.2.3 图纸应按专业排列,同专业图纸应按图号顺序排列。 5.2.4 当案卷内既有文字材料又有图纸时,文字材料应排在前面,图纸应排在后面。 5.3 案卷编目5.3.1 编制卷内文件页号应符合下列规定:1 卷内文件均应按有书写内容的页面编号。每卷单独编号,页号从“1”开始。 2 页号编写位置:单面书写的文件在右下角;双面书写的文件,正面在右下角,背面在左下角。折叠后的图纸一律在右下角。 3 成套图纸或印刷成册的文件材料,自成一卷的,原目录可代替卷内目录,不必重新编写页码。 4 案卷封面、卷内目录、卷内备考表不编写页号。 5.3.2 卷内目录的编制应符合下列规定: 1 卷内目录排列在卷内文件首页之前,式样宜符合本规范附录C的要求。 2 序号应以一份文件为单位编写,用阿拉伯数字从1依次标注。 3 责任者应填写文件的直接形成单位或个人。有多个责任者时,应选择两个主要责任者,其余用“等”代替。 4 文件编号应填写文件形成单位的发文号或图纸的图号,或设备、项目代号。 5 文件题名应填写文件标题的全称。当文件无标题时,应根据内容拟写标题,拟写标题外应加“【】”符号。 6 日期应填写文件的形成日期或文件的起止日期,竣工图应填写编制日期。日期中“年”应用四位数字表示,“月”和“日”应分别用两位数字表示。 7 页次应填写文件在卷内所排的起始页号,最后一份文件应填写起止页号。 8 备注应填写需要说明的问题。 5.3.3 卷内备考表的编制应符合下列规定: 1 卷内备考表应排列在卷内文件的尾页之后,式样宜符合本规范附录D的要求; 2 卷内备考表应标明卷内文件的总页数、各类文件页数或照片张数及立卷单位对案卷情况的说明3立卷单位的立卷人和审核人应在卷内备考表上签名;年、月、日应按立卷、审核时间填写。 5.3.4 案卷封面的编制应符合下列规定: 1 案卷封面应印刷在卷盒、卷夹的正表面,也可采用内封面形式。案卷封面的式样宜符合本规范附录E的要求。 2 案卷封面的内容应包括档号、案卷题名、编制单位、起止日期、密级、保管期限、本案卷所属工程的案卷总量、本案卷在该工程案卷总量中的排序。 3 档号应由分类号、项目号和案卷号组成。档号由档案保管单位填写。 4 案卷题名应简明、准确地揭示卷内文件的内容。 5 编制单位应填写案卷内文件的形成单位或主要责任者。 6 起止日期应填写案卷内全部文件形成的起止日期。 7 保管期限应根据卷内文件的保存价值在永久保管、长期保管、短期保管三种保管期限中选择划定。当同一案卷内有不同保管期限的文件时,该案卷保管期限应从长。 8 密级应在绝密、机密、秘密三个级别中选择划定。当同一案卷内有不同密级的文件时,应以高密级为本卷密级。 5.3.5 编写案卷题名,应符合下列规定: 1 建筑工程案卷题名应包括工程名称(含单位工程名称)、分部工程或专业名称及卷内文件概要等内容;当房屋建筑有地名管理机构批准的名称或正式名称时,应以正式名称为工程名称,建设单位名称可省略;必要时可增加工程地址内容; 2 道路、桥梁工程案卷题名应包括工程名称(含单位工程名称)、分部工程或专业名称及卷内文件概要等内容;必要时可增加工程地址内容; 3 地下管线工程案卷题名应包括工程名称(含单位工程名称)、专业管线名称和卷内文件概要等内容;必要时可增加工程地址内容; 4 卷内文件概要应符合本规范附录A、附录B中所列案卷内容(标题)的要求; 5 外文资料的题名及主要内容应译成中文。 5.3.6 案卷脊背应由档号、案卷题名构成,由档案保管单位填写;式样宜符合本规范附录F的规定。 5.3.7 卷内目录、卷内备考表、案卷内封面宜采用70g以上白色书写纸制作,幅面应统一采用A4幅面。 条文说明 5.3.2 卷内目录中,日期应按下列方式编写:“年”用四位数字表示,“月”和“日”分别用两位数字表示,如:2013年4月1日应填写为“20130401”。5.3.3 卷内备考表的说明,主要说明卷内文件复印件情况、页码错误情况、文件的更换情况等。没有需要说明的事项可不必填写说明。 5.3.4 城建档案馆的分类号依据原建设部《城市建设档案分类大纲》(建办档【1993】103号)编写,一般为大类号加属类号。档号按现行国家标准《城市建设档案著录规范》GB/T50323编写。 案卷题名中“工程名称”一般包括工程项目名称、单位工程名称。 编制单位:工程准备阶段文件和竣工验收文件的编制单位一般为建设单位;勘察、设计文件的编制单位一般为工程的勘察、设计单位;监理文件的编制单位一般为监理单位;施工文件的编制单位一般为施工单位。 5.3.5 案卷题名编写过程中应注意以下几点: 1 建设单位名称应编写其对外公开名称、全称或通用简称。 2 工程名称部分应编写其工程的正式名称,并根据工程项目实际情况增加时间特征、工程地址特征、工程性质等特征,进行必要的补充说明,以完善题名构成。如“南京大学浦口校区22幢学生宿舍工程”中“浦口校区”是工程地址特征,以区别南京大学原主城校区。 一些住宅小区、公用建筑、商业建筑等可以省略工程建设单位,直接以地名机构批准的名称作为工程项目名称。 3 案卷题名的拟写应做到唯一性,不应该出现案卷名称相同的现象。对于同类文件或图纸,需要立若干个案卷时,可以加入卷册序号、图号等以示区别。如: 南京大学邵逸夫馆隐蔽工程验收记录之一 南京大学邵逸夫馆隐蔽工程验收记录之二 南京大学邵逸夫馆建筑竣工图(建竣1~建竣20) 南京大学邵逸夫馆建筑竣工图(建竣21~建竣40) 5.4 案卷装订与装具5.4.1 案卷可采用装订与不装订两种形式。文字材料必须装订。装订时不应破坏文件的内容,并应保持整齐、牢固,便于保管和利用。5.4.2 案卷装具可采用卷盒、卷夹两种形式,并应符合下列规定: 1 卷盒的外表尺寸应为310mm×220mm,厚度可为20、30、40、50mm。 2 卷夹的外表尺寸应为310mm×220mm,厚度宜为20mm~30mm。 3 卷盒、卷夹应采用无酸纸制作。 5.5 案卷目录编制5.5.1 案卷应按本规范附录A和附录B的类别和顺序排列。5.5.2 案卷目录的编制应符合下列规定: 1 案卷目录式样宜符合本规范附录G的要求; 2 编制单位应填写负责立卷的法人组织或主要责任者; 3 编制日期应填写完成立卷工作的日期。 6 工程文件归档6.0.1 归档应符合下列规定:1 归档文件范围和质量应符合本规范第4章的规定; 2 归档的文件必须经过分类整理,并应符合本规范第5章的规定。 6.0.2电子文件归档应包括在线式归档和离线式归档两种方式。可根据实际情况选择其中一种或两种方式进行归档。 6.0.3 归档时间应符合下列规定: 1 根据建设程序和工程特点,归档可分阶段分期进行,也可在单位或分部工程通过竣工验收后进行。 2 勘察、设计单位应在任务完成后,施工、监理单位应在工程竣工验收前,将各自形成的有关工程档案向建设单位归档。 6.0.4 勘察、设计、施工单位在收齐工程文件并整理立卷后,建设单位、监理单位应根据城建档案管理机构的要求,对归档文件完整、准确、系统情况和案卷质量进行审查。审查合格后方可向建设单位移交。 6.0.5 工程档案的编制不得少于两套,一套应由建设单位保管,一套(原件)应移交当地城建档案管理机构保存。 6.0.6 勘察、设计、施工、监理等单位向建设单位移交档案时,应编制移交清单,双方签字、盖章后方可交接。 6.0.7 设计、施工及监理单位需向本单位归档的文件,应按国家有关规定和本规范附录A、附录B的要求立卷归档。 条文说明 6.0.2 对涉密的有关工程电子文件,在线归档时应做好保密工作。6.0.5 工程档案编制套数不少于两套是最低要求。许多情况下为满足日后利用需求,需要再增加一至两套,如:为物业管理单位保留一套。 7 工程档案验收与移交7.0.1 此条删除。7.0.2 建设工程档案验收时,应查验下列主要内容: 1 工程档案齐全、系统、完整,全面反映工程建设活动和工程实际状况; 2 工程档案已整理立卷,立卷符合本规范的规定; 3 竣工图的绘制方法、图式及规格等符合专业技术要求,图面整洁,盖有竣工图章; 4 文件的形成、来源符合实际,要求单位或个人签章的文件,其签章手续完备; 5 文件的材质、幅面、书写、绘图、用墨、托裱等符合要求; 6 电子档案格式、载体等符合要求; 7 声像档案内容、质量、格式符合要求。 7.0.3 列入城建档案管理机构接收范围的工程,建设单位在工程竣工验收备案前,必须向城建档案管理机构移交一套符合规定的工程档案。 7.0.4 停建、缓建建设工程的档案,可暂由建设单位保管。 7.0.5 对改建、扩建和维修工程,建设单位应组织设计、施工单位对改变部位据实编制新的工程档案,并应在工程竣工验收备案前向城建档案管理机构移交。 7.0.6 当建设单位向城建档案管理机构移交工程档案时,应提交移交案卷目录,办理移交手续,双方签字、盖章后方可交接。 附录A 建筑工程文件归档范围A.0.1 建筑工程文件的归档范围应符合表A.0.1的规定。
附录B 市政工程文件归档范围B.0.1 道路工程文件的归档范围应符合表B.0.1的规定。
B.0.2 桥梁工程文件的归档范围应符合表B.0.2的规定。
B.0.3 地下管线工程文件的归档范围应符合表B.0.3的规定。
附录C 卷内目录式样
附录D 卷内备考表式样
附录E 案卷封面式样
附录F 案卷脊背式样
附录G 案卷目录式样
本规范用词说明1 为便于在执行本规范条文时区别对待,对要求严格程度不同的用词说明如下:1)表示很严格,非这样做不可的: 正面词采用“必须”,反面词采用“严禁”; 2)表示严格,在正常情况下均应这样做的: 正面词采用“应”,反面词采用“不应”或“不得”; 3)表示允许稍有选择,在条件许可时首先应这样做的: 正面词采用“宜”,反面词采用“不宜”; 4)表示有选择,在一定条件下可以这样做的,采用“可”。 2 条文中指明应按其他有关标准执行的写法为:“应按……执行”或“应符合……的规定”。 引用标准名录1《城建档案业务管理规范》CJJ/T 15822《建设电子档案元数据标准》CJJ/T 1873 3《信息与文献 档案纸 耐久性和耐用性要求》GB/T 244224 4《信息与文献 纸张上书写、打印和复印字迹的耐久性和耐用性 要求与测试方法》GB/T 32004 |
1. 本站所有资源来源于用户上传和网络,仅作为演示数据,如有侵权请邮件联系站长!
2. 盗版,破解有损他人权益和违法作为,请各位站长支持正版!
2. 盗版,破解有损他人权益和违法作为,请各位站长支持正版!

国家标准(推荐)