前言中华人民共和国国家标准 GB/T 25206《复合夹芯板建筑体燃烧性能试验》分为两个部分:复合夹芯板建筑体燃烧性能试验 第2部分:大室法 Reaction-to-fire tests for sandwich panel building systems— Part 2: Test method for large rooms (ISO 13784-2:2002,IDT) GB/T 25206.2—2010/ISO 13784-2:2002 2010-09-26发布 2011-02-01 实施 中华人民共和国国家质量监督检验检疫总局 中国国家标准化管理委员会发布 ——第1部分:小室法; ——第2部分:大室法。 本部分为GB/T 25206的第2部分。 本部分等同采用ISO 13784-2:2002《复合夹芯板建筑体燃烧性能试验 第2部分:大室法》(英文版)。 本部分等同翻译ISO 13784-2:2002。 为便于使用,本部分做了下列编辑性修改: a) “国际标准的本部分”一词改为“本部分”; b) 用小数点“.”代替作为小数点的逗号“,”; c) 在规范性引用文件中删除“ISO 13784-1复合夹芯板建筑体燃烧性能试验 第1部分:小室法”,因为该标准未在ISO 13784-2:2002中出现,本部分也未引用。 本部分由中华人民共和国公安部提出。 本部分由全国消防标准化技术委员会防火材料分技术委员会(SAC/TC 113/SC 7)归口。 本部分起草单位:公安部四川消防研究所、公安部天津消防研究所。 本部分主要起草人:曾绪斌、赵成刚、赵丽、薛思强。 1 范围GB/T 25206的本部分规定了用于评价复合夹芯板建筑体燃烧性能的试验方法。通过模拟室内火灾条件,在建筑房间角落处,用特定火焰直接作用于制品来评价建筑体复合夹芯板表面或内部的火焰传播特性。本试验不用作对制品耐火性能的评估。本部分规定了复合夹芯板建筑体可采用自支撑和框架支撑等结构,但是只适用于对建筑的墙、吊顶或屋面结构进行测试。 2 规范性引用文件下列文件中的条款通过GB/T 25206的本部分的引用而成为本部分的条款。凡是注日期的引用文件,其随后所有的修改单(不包括勘误的内容)或修订版均不适用于本部分,然而,鼓励根据本部分达成协议的各方研究是否可使用这些文件的最新版本。凡是不注日期的引用文件,其最新版本适用于本部分。ISO 13943 消防安全词汇 IEC 60584-2 热电偶 第2部分:允差 3 术语和定义ISO 13943中确立的以及下列术语和定义适用于GB/T 25206的本部分。3.1 复合材料 composite 由两种或两种以上单一材料组合而成的复合物,如表面有涂层的材料或层压材料。 3.2 受火面 exposed surface 制品与试验的热条件邻近的表面。 3.3 制品 product 材料、复合材料或其组件。 3.4 质量恒定 constant mass 当间隔24h的两次连续称量偏差不超过试样质量的0.1%或0.1g(取两者的较大值)时试样的状态。 3.5 表面制品 surface product 建筑中的墙体、吊顶、屋面的任何暴露表面。 3.6 绝热复合夹芯板 insulating sandwich panel 由三层或多层材料复合而成的多层制品。 注:中间一层为绝热材料,如矿棉、玻璃棉、塑料纤维或天然材料,两面为有保护作用的面材。面材可选择不同的材料,可以是平板或者异型材定,应用最广泛的是涂层钢板。根据应用及其性能要求,复合材料通过特定的安装连接和支撑可以由单一结构变成复杂的复合组件。 3.7 试样 specimen 代表最终结构的组件。 4 原理本试验规定了在复合夹芯板建筑内部角落处,通过火焰的直接作用来评价复合夹芯板建筑体的燃烧性能的试验方法。由于可燃气体、复合夹芯板组件的脱落碎片或熔滴物的影响,可出现不同的火焰传播类型,火焰可在夹芯板芯材中传播,也可在表面或接缝处传播。本试验可评价下列火灾危险性参数:——火灾从发生发展到轰然,建筑体所做的贡献; ——室内火灾传播至外部、其他隔间或相邻建筑的潜在危险性; ——结构倒塌的可能性; ——试验房间内部的火灾烟气的发展。 5 结构类型本试验规定了用以下两种类型来代表实际使用中的结构和材料:a) 框架支撑结构 复合夹芯板建筑体以机械方式固定在框架结构(通常为钢制)的外部或内部(在板的厚度方向),吊顶或屋面可按传统方式安装或使用复合夹芯板,常见的例子是工业建筑的外部覆层结构。大多数情况下,这种复合夹芯板组件用于建筑的外部墙体、屋面或同时用于两者中。 b) 自支撑结构 由复合夹芯板组件组成一个不依靠其他任何框架结构而能保持稳定性的房间或封闭空间(如建筑内的冷冻室、食物存储室、无尘室)。通常对于建筑内部的这类结构,它的吊顶可由上部部件来固定。 6 试样试样应满足试验所要求的数量,所有试样应具有实际使用中结构和材料的代表性,所有试样的拼接缝、安装固定等结构细节都应按实际使用情况进行设置和体现。如果复合夹芯板在实际使用中有内框架或外框架,试验时应体现这种安装结构。试样在结构安装中应符合此结构的质量要求。 如果在实际使用中,吊顶板和墙板不同,试验时应采用实际使用的墙板与吊顶的组合来进行试验。 如果复合夹芯板组件在实际使用时有装饰涂层或薄膜面层,则应在试样上体现出来。 7 试验房间设计和建造7.1 本试验规定了复合夹芯板建筑体燃烧性能的评价方法,复合夹芯板组件的尺寸和结构应与实际使用情况相一致。按照实际使用中制品的拼接和安装方法对其进行评估,如果支撑件是结构的一部分,则试验时在特定位置要使用此支撑件。如果板材是自支撑,为安全起见,应采用非连接的外部框架。7.2 根据实际使用情况,按第6章的要求用复合夹芯板试样建造一个实体房间(见图1)进行试验。试验房间由四面垂直的墙和吊顶组成,建造在硬质的不燃地面上,房间的内部空间尺寸如下。 长:(4.8±0.05)m。 宽:(4.8±0.05)m。 高:(4.0±0.05)m。 7.3 房间的正面应设置一个门洞,其他墙上无任何通风开口,门洞大小如下。 宽:(4.8±0.05)m。 高:(2.8±0.05)m。 7.4 试验房间可建造在室内或室外。 7.5 试验前生产商应提供不同构件的整体布局图和结构详图,包括样品的拼接和任何框架连接的详细要求。 图2和图3是一个安装了内支撑框架的复合夹芯板建筑体的示意图。 注:样品数量和厚度根据试样类型可与示例所要求的不同,另外,支撑架的型号也应根据实际的安装方式来确定。
8 点火源8.1 点火源为钢制丙烷燃烧器,顶面为正方形,以多孔的惰性材料(如砂)填充制作而成,燃烧器尺寸为300 mmX300 mm,高于地面200 mm,燃烧器出口的气流应均匀分布(见图4)。警示:燃烧器采用丙烷气体,消耗量相对较大。所有仪器(管路、夹具、流量计等)都应适合丙烷,应参照现有规范进行安装。为安全起见,宜安装一个可以远程控制的点火装置,如引燃焰或灼热丝。并且线路中宜安装一个漏气警报装置和安全阀,当燃烧器火焰熄灭时,阀门能立刻自动切断燃气供应。 8.2 燃烧器应安装在一个小车上,必要时可以在试验期间将燃烧器移出试验房间,建议安装一个附加的燃气控制阀。 8.3 燃烧器应安装在与有门洞的前墙直接相对的角落处的地面上,并与试样接触。如果在角落处正好有一个框架构件如钢柱,则燃烧器应安装于与背墙角落最近的拼接缝处,此拼接缝距离角落处的钢柱不应小于300 mm,见图1。 如果某些器件使燃烧器不能接触试样,则应升高燃烧器,使它与试样接触。 8.4 燃烧器应使用丙烷气体(纯度应不低于95%),燃烧器的气体流量的测试精度至少±3%,燃烧器的热输出偏差应控制在规定值的±5%以内。 8.5 试验时燃烧器的热输出前5min应为100kW,紧接着5min为300kW,如果试样没有被点燃或没有出现持续燃烧,则接下来5min燃烧器热输出应增至600kW。燃烧器的热释放速率的计算为气体流量与丙烷燃烧热值的乘积,应使用46.4kJ/g的燃烧热值。
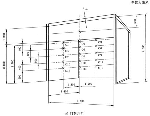
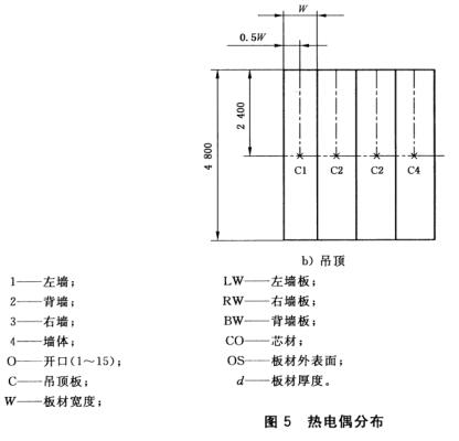
9 装置9.1 热电偶在每块试样的表面和芯材内安装热电偶,热电偶的安装应能监测火焰在芯材内部的传播。 在每块试样的表面和芯材里应各安装一根热电偶,安装的位置应在试样中心高于地面2.7m处(见图5),在门洞开口处的O1、O2、O3热电偶应安装,其他可选安装。 热电偶应为铠装或装配式的,前者应为丝径0.3 mm、外径1.5 mm的K式镍铬不锈钢铠装热电偶,测量端应绝热但不接地。装配式热电偶最大直径为
从门洞开口流出的气流可通过开口处的热电偶和附加的压力测试仪计算得出,计算方法可参见GB/T 25207—2010。 在芯材内安装热电偶时,应检查确保插入热电偶后开口被良好的密封,避免这些开口影响板材的燃烧性能。 9.2 辅助设备 9.2.1 数据记录仪:可使用数表或数字记录仪,数据采集的时间间隔不超过10s,并能进行数据拷贝。 9.2.2 时间记录仪:分度为1s的时钟或相当的其他装置。
10 程序10.1 初始条件10.1.1 试验开始时环境温度应在10°C〜30°C之间。 10.1.2 从门洞中心到房间水平距离1m位置的水平风速不应超过1.75 m/s。 10.1.3 燃烧器应与角落墙体接触,燃烧器的开口表面应清洁。如果房间角落处有框架构件如钢柱,则应将燃烧器安装于距离角落最近的背墙拼接缝处,但距离应不少于300mm(见图1)。 10.1.4 试验前应对试样照相或摄像记录。 10.2 试验 10.2.1 开启所有记录仪和测试装置,在燃烧器点燃前至少记录2min。 10.2.2 在10s内将燃烧器调节到要求的热输出(见图6),调节排烟装置收集所有燃烧产物。 10.2.3 用相机或摄像机记录试验过程,影像记录应有时间,精确至秒。 10.2.4 试验期间,记录以下试验现象及其发生的时间: a) 试样着火; b) 试样内侧或外侧的火焰传播; c) 试样出现开口、裂缝、损坏、间隙; d) 拼接缝开裂和火焰冒出; e) 分层、碎片脱落、燃烧熔滴; f ) 烟气或火焰从接缝穿出; g) 烟气浓度和颜色(视觉); h) 试样芯材中的火焰传播迹象(如面板变色); i ) 火焰从门洞冒出; J) 轰燃; k) 结构倒塌。 10.2.5 发生轰燃或试验进行30min后停止试验,如果建筑倒塌或对试验室人员构成潜在危险时应提前中断试验。 10.2.6 报告试验结果,如温度随时间的变化、燃烧现象、火焰传播范围、机械性能等,记录试验后制品的损毁范围,应清楚地报告试样的损毁情况(试样分层或接缝开裂范围,试样碳化、烧焦、裂缝、收缩的程度及深度等)。 10.2.7 记录其他异常现象。
11 精度本试验方法的精度尚需确定。12 试验报告试验报告应包括以下信息:a) 试验室的名称和地址; b) 报告日期和报告编号; c) 受检单位名称和地址; d) 试验目的; e) 抽样方法; f ) 产品制造商或供应商的名称或地址; g) 产品的名称或标识及其描述; h) 产品的结构和安装方法,包括: 1) 图纸; 2) 描述; 3) 组装说明; 4) 材料说明; 5) 拼接和固定的详细说明。 i ) 到样日期; j ) 试验日期; k) 说明按照本部分是采用自支撑还是框架支撑结构; l ) 试样状态调节、试验过程中的环境条件(温度、大气压力、相对湿度等); m) 试验方法的偏离; n) 试验结果,包括: 1) 热电偶O1、O2、O3的温度随时间的变化曲线; 2) 复合夹芯板表面、芯材温度和附加的烟气温度随时间的变化曲线(可选择); 3) 最高温度; 4) 制品损毁的说明(如图像)和描述; 5) 试验间和试验后的现象。 参考文献[1] GB/T 25207—2010 火灾试验 表面制品的实体房间火试验方法(ISO 9705:1993,MOD) |
1. 本站所有资源来源于用户上传和网络,仅作为演示数据,如有侵权请邮件联系站长!
2. 盗版,破解有损他人权益和违法作为,请各位站长支持正版!
2. 盗版,破解有损他人权益和违法作为,请各位站长支持正版!

国家标准(推荐)