前言中华人民共和国国家标准 现批准《农村居住建筑节能设计标准》为国家标准,编号为GB/T 50824-2013,自2013年5月1日起实施。 中华人民共和国住房和城乡建设部 本标准是根据住房和城乡建设部《关于印发<2010年工程建设标准规范制订、修订计划〉的通知》(建标[2010]43号)的要求,由中国建筑科学研究院、中国建筑设计研究院会同有关单位共同编制完成。 条文说明
制订说明 《农村居住建筑节能设计标准》GB/T 50824-2013,经住房和城乡建设部2012年12月25日以第1608号公告批准、发布。 1 总则1.0.1 为贯彻国家有关节约能源、保护环境的法规和政策,改善农村居住建筑室内热环境,提高能源利用效率,制定本标准。
条文说明
1.0.1 目前我国农村地区人口近8亿,占全国人口总数的60%左右。农村地区共有房屋建筑面积约278亿m2,其中90%以上是居住建筑,约占全国房屋建筑面积的65%。我国农村居住建筑建设一直属于农民的个人行为,农村居住建筑的基础标准不完善,设计、建造施工水平较低。近年来,随着我国农村经济的发展和农民生活水平的提高,农村的生活用能急剧增加,农村能源商品化倾向特征明显。北方地区农村居住建筑绝大部分未进行保温处理,建筑外门窗热工性能和气密性较差;供暖设备简陋、热效率低,室内热环境恶劣,造成大量的能源浪费;冬季供暖能耗约占生活能耗的80%。南方地区农村居住建筑一般没有隔热降温措施,夏季室温普遍高于30℃以上,居住舒适性差。综上所述,农村居住建筑节能工作亟待加强,推进农村居住建筑节能已成为当前村镇建设的重要内容之一。目前我国建筑节能技术的研究主要集中在城市,颁布的节能目标和强制性标准主要针对城市建筑。农村居住建筑的特点、农民的生活作息习惯及技术经济条件等决定了其在室温标准、节能率及设计原则上都不同于城市居住建筑。随着新农村建设的开展,农村地区大量建设新型节能建筑或对既有居住建筑进行节能改造,但农村居住建筑应达到什么样的节能标准,目前只是照搬城市居住建筑标准,具有很大盲目性。因此,应结合农村居住建筑的特点及技术经济条件,合理确定节能率,引导农民采用新型节能舒适的围护结构和高效供暖、通风、照明节能设施,并合理利用可再生能源。 为了推进我国农村居住建筑节能工程的建设,规范我国农村居住建筑的平立面节能设计和围护结构的保温隔热技术,提高农村居住建筑室内供暖、通风、照明等用能设施的能效,改善室内热舒适性,促进适合农村居住建筑的节能新技术、新工艺、新材料和新设备在全国范围内推广应用,制定本标准。 1.0.2 本标准所指的农村居住建筑为农村集体土地上建造的用于农民居住的分散独立式、集中分户独立式(包括双拼式和联排式)低层建筑,不包括多层单元式住宅和窑洞等特殊居住建筑。对于严寒和寒冷地区,本标准所指的农村居住建筑为二层及以下的建筑。
2 术语2.0.1 围护结构 building envelope 3 基本规定3.0.1 农村居住建筑节能设计应与地区气候相适应,农村地区建筑节能设计气候分区应符合表3.0.1的规定。 表3.0.1 农村地区建筑节能设计气候分区
注:带*号地区在建筑热工分区中属温和A区,围护结构限值按夏热冬冷地区的相关参数执行。 条文说明
3.0.1 气候是影响我国各地区建筑的重要因素。不同地区的建筑形式、建筑能耗特点均受到气候影响。北方地区建筑以保温为主,而南方地区建筑以夏季隔热降温为主。总体而言,我国建筑气候区划主要有五大气候区(图1),即严寒地区、寒冷地区、夏热冬冷地区、夏热冬暖地区和温和地区。
图1 中国建筑气候区划图
在现行标准《严寒和寒冷地区居住建筑节能设计标准》JGJ 26中,采用供暖度日数HDD18和空调度日数CDD26作为气候分区指标。我国农村地区幅员辽阔,为便于农村地区应用,本标准以最冷月和最热月的平均温度作为分区标准。分区时,考虑了与国家现行标准《严寒和寒冷地区居住建筑节能设计标准》JGJ 26、《夏热冬冷地区居住建筑节能设计标准》JGJ 134的一致性。 4 建筑布局与节能设计4.1 一般规定 4.1 一般规定4.1.1 农村居住建筑的选址与布置应根据不同的气候区进行选择。严寒和寒冷地区应有利于冬季日照和冬季防风,并应有利于夏季通风;夏热冬冷地区应有利于夏季通风,并应兼顾冬季防风;夏热冬暖地区应有利于自然通风和夏季遮阳。
条文说明
4.1.1 日照、天然采光和自然通风是农村居住建筑重要的室内环境调节手段。充足的日照是提升严寒和寒冷地区、夏热冬冷地区农村居住建筑冬季室内温度的有效手段,而夏季遮阳则是降低夏热冬冷和夏热冬暖地区农村居住建筑室内温度的必要举措。强调农村居住建筑良好的自然通风主要有两个目的,一是为了改善室内热环境,增加热舒适感;二是为了提高通风空调设备的效率,因为建筑群良好的通风可以提高空调设备的冷凝器工作效率,有利于节省设备的运行能耗。 在严寒和寒冷地区,重点考虑防止冬季冷风渗透而增加供暖能耗,同时兼顾夏季自然通风的有效利用。在夏热冬冷和夏热冬暖地区,则重点考虑利用自然通风改善室内的热舒适度,减少夏季空调能耗。 4.1.2 日照直接影响居室的热环境和建筑能耗,同时也是影响住户心理感受和身体健康的重要因素,在农村居住建筑设计中是一个不可缺少的环节。 房间有良好的自然通风,一是可以显著地降低房间自然室温,为居住者提供更多时间生活在自然室温环境的可能性;二是能够有效地缩短房间空调器开启的时间,节能效果明显。房间的自然进风设计要使窗口开启朝向和窗扇的开启方式有利于向房间导入室外风,房间的自然排风设计要能保证利用常开的房门、户门、外窗、专用通风口等,直接或间接(通过与室外连通的走道、楼梯间、天井等)向室外顺畅地排风。 4.1.3 被动式太阳房是一种最简单、最有效的冬季供暖形式。在冬季太阳能丰富的地区,只要建筑围护结构进行一定的保温节能改造,被动式太阳房就有可能达到室内热环境所要求的基本标准。由于农村的经济技术水平相对落后,应在经济可行的条件下,进行被动式太阳房设计,并兼顾造型美观。
4.2 选址与布局4.2.1 严寒和寒冷地区农村居住建筑宜建在冬季避风的地段,不宜建在洼地、沟底等易形成“霜洞”的凹地处。 条文说明
4.2.1 在严寒和寒冷地区,为防止冬季冷风渗透增加供暖能耗,农村居住建筑宜建在冬季避风的地段,不要建在不避风的高地、河谷、河岸、山梁及崖边等地段。为防止“霜洞”效应,一般也不宜布置在洼地、沟底等凹地处,因为冬季冷气流容易在此处聚集,形成“霜洞”,从而使位于凹地的底层或半地下层的供暖能耗增多。
图2 农村居住建筑组合布置形式示意
4.3 平立面设计4.3.1 严寒和寒冷地区农村居住建筑的体形宜简单、规整,平立面不宜出现过多的局部凸出或凹进的部位。开口部位设计应避开当地冬季的主导风向。4.3.2 夏热冬冷和夏热冬暖地区农村居住建筑的体形宜错落、丰富,并宜有利于夏季遮阳及自然通风。开口部位设计应利用当地夏季主导风向,并宜有利于自然通风。 4.3.3 农村居住建筑的主朝向宜采用南北朝向或接近南北朝向,主要房间宜避开冬季主导风向。 4.3.4 农村居住建筑的开间不宜大于6m,单面采光房间的进深不宜大于6m。严寒和寒冷地区农村居住建筑室内净高不宜大于3m。 4.3.5 农村居住建筑的房间功能布局应合理、紧凑、互不干扰,并应方便生活起居与节能。卧室、起居室等主要房间宜布置在南侧或内墙侧,厨房、卫生间、储藏室等辅助房间宜布置在北侧或外墙侧。夏热冬暖地区农村居住建筑的卧室宜设在通风好、不潮湿的房间。 4.3.6 严寒和寒冷地区农村居住建筑的外窗面积不应过大,南向宜采用大窗,北向宜采用小窗,窗墙面积比限值宜符合表4.3.6的规定。 表4.3.6 严寒和寒冷地区农村居住建筑的窗墙面积比限值
4.3.7 严寒和寒冷地区农村居住建筑应采用传热系数较小、气密性良好的外门窗,不宜采用落地窗和凸窗。
条文说明
4.3.1 对于严寒和寒冷地区的农村居住建筑,采用平整、简洁的建筑形式,体形系数较小,有利于减少建筑热损失,降低供暖能耗。4.3.2 对于夏热冬冷和夏热冬暖地区的农村居住建筑,采用错落、丰富的建筑形式,体形系数较大,有利于建筑散热,改善室内热环境。 4.3.3 朝向是指建筑物主立面(或正面)的方位角,一般由建筑与周围环境、道路之间的关系确定。朝向选择的原则是冬季能获得充足的日照,主要房间宜避开冬季主导风向。建筑的朝向,方位以及整体规划应考虑多方面的因素,要想找到一个朝向满足夏季防热,冬季保温等各方面的理想要求是困难的,因此,我们只能权衡各个因素之间的得失轻重,选择出这一地区建筑的最佳朝向或较好的朝向。由于南方地区多山,平地较少,建筑受地形、地貌影响很大,要做到完全南北朝向是很困难的,因此,要求宜采用南北朝向。 经计算证明:建筑物的主体朝向,如果由南北向改为东西向,耗热量指标约增大5%,空调能耗或外遮阳成本将增大更多。 4.3.4 本条从节能和有利于创造舒适的室内环境的角度出发,规定了农村居住建筑功能空间的适宜尺寸。 4.3.5 农村居住建筑的卧室、起居室等主要房间是农民日常生活使用频率较高、使用时段较长的居住空间,本着节能和舒适的原则,宜布置在日照、采光条件好的南侧;厨房、卫生间、储藏室等辅助房间由于使用频率较低,使用时段较短,可布置在日照、采光条件稍差的北侧或东西侧。夏热冬暖地区的气候温暖潮湿,考虑到居住者的身体健康,卧室宜设在通风好、不潮湿的房间。 4.3.6 窗墙面积比既是影响建筑能耗的重要因素,也受建筑日照、采光、自然通风等室内环境要求的制约。不同朝向的开窗面积,对上述因素的影响有较大差别。综合利弊,本标准按照不同朝向,提出了窗墙面积比的推荐性指标。 4.3.7 门窗是建筑外围护结构保温隔热的薄弱环节,严寒和寒冷地区需要重点加以注意,应采用传热系数较小、气密性良好的节能型外门窗。凸窗比平窗增加了玻璃面积和外围护结构面积,对节能十分不利,尤其是北向更不利,而且窗户凸出较多时有安全隐患,且开关窗操作困难,使用不便,要尽量少用。 4.3.8 建筑外围护结构的隔热有外隔热、结构隔热和内隔热三种方式。外隔热有外反射隔热、外遮阳隔热、外通风、外蒸发隔热和外阻隔热等;结构隔热就是靠外墙自身的蓄热能力蓄热,减少进入的热量传入室内;内隔热有表面低辐射隔热、通风隔热和内阻隔热等。三种隔热方式比较,以外隔热的效果为最好。垂直绿化是兼外遮阳、外蒸发和外阻隔热为一体的最佳外墙外隔热措施,应优先采用。 对于外墙与屋面的隔热性能要求,目前的热工性能控制指标只是从外墙和屋面的热惰性指标来控制,尚不能全面反映外围护结构在夏季热作用下的受热与传热特征以及影响外围护结构隔热质量的综合因素。轻质结构的外墙与屋面,热惰性指标都低,很难达到隔热指标限值的要求。对夏热冬冷和夏热冬暖地区居住建筑的外墙,提出宜采用外反射、外遮阳及垂直绿化等外阻隔热措施以提高其隔热性能,理论计算及实测结果都表明是一条可行而有效的隔热途径,也是提高轻质外围护结构隔热性能的一条最有效的途径。 4.3.9 目前的农村居住建筑设计中,存在着外窗面积越来越大,而同时可开启面积比例相对缩小的趋势,有的建筑根本达不到可开启面积占外窗面积25%或30%的要求,严重影响了室内自然通风效果。为保证室内在非供暖季节有较好的自然通风环境,提出本条规定是非常必要和现实的。 4.4 被动式太阳房设计4.4.1 被动式太阳房应朝南向布置,当正南向布置有困难时,不宜偏离正南向±30°以上。主要供暖房间宜布置在南向。
图4.4.9 被动式太阳房示意 4.4.10 直接受益式太阳房的设计应符合下列规定: 表4.4.14 被动式太阳房南向开窗面积大小及外窗的传热系数限值
条文说明
4.4.1 太阳房的最好朝向是正南,条件不许可时,应将朝向限制在南偏东或偏西30°以内,偏角再大会影响集热。太阳房和相邻建筑间要留有足够的间距,以保证在冬季阳光不被遮挡,也不应有其他阻挡阳光的障碍物。 4.4.2 本条摘自现行国家标准《被动式太阳房热工技术条件和测试方法》GB/T15405-2006第4.1.4条,对被动式太阳房的建筑间距提出了限定。 4.4.3 从节能的角度考虑,太阳房的形体宜为东西轴为长轴的长方体,平面短边和长边之比取1:1.5~1:4。房屋净高不宜低于2.8m,进深在满足使用的条件下不要太大,不超过层高2倍时可获得比较满意的节能率。 4.4.4 被动式太阳房的出入口应采取防冷风侵入的措施,如设置双层门、两道门或门斗。门斗应避免直通室温要求较高的主要房间,最好通向室温要求不高的辅助房间或过道。 4.4.5 被动式太阳房的基本设计原则是一个多,一个少。也就是说,冬季要吸收尽可能多的阳光热量进入建筑物,而从建筑内部向外部环境散失的热量要尽可能少。被动式太阳房应有两个特点:一是南向立面有大面积的玻璃透光集热面;二是房屋围护结构有极好的保温和蓄热性能。目前应用最普遍的蓄热建筑材料包括密度较大的砖、石、混凝土和土坯等。在炎热的夏季,有良好保温性能的热惰性围护结构也能在白天阻滞热量传到室内,并通过合理的组织通风,使夜间的室外冷空气流进室内,冷却围护结构内表面,延缓室内温度的上升。 4.4.6 本条摘自现行国家标准《被动式太阳房热工技术条件和测试方法》GB/T15405-2006第4.3.5条,对用于集热的透光材料特性进行了规定。 4.4.7 夏季太阳辐射量加大,为防止夏季过热,可利用挑檐作为遮阳措施。挑檐伸出宽度应考虑满足冬、夏季的需要,原则上,严寒和寒冷地区首先满足冬季南向集热面不被遮挡,夏季较热地区应重视遮阳。在庭院里搭设季节性藤类植物或种植落叶树木是最好的遮阳方式,夏季可遮阳,冬季落叶后又不会遮挡阳光。 4.4.8 被动式太阳房随着窗户面积的增大,夜间通过窗户散失的热量也会增大,因此要采用夜间保温措施。目前有在外窗内侧设置双扇木板的做法,也可采用保温窗帘,如由一层或多层镀铝聚酯薄膜和其他织物一起组成的复合保温窗帘。 4.4.9 被动式太阳房的三种基本集热方式具有各自的特点和适用性。直接受益式太阳房是利用建筑南向透光面直接供暖,即阳光透过南窗直接投入房间内,由室内墙面和地面吸收转换成热能后,通过热辐射对室内空气进行加热。附加阳光间式太阳房是将阳光间附在建筑的朝南方向,房屋南墙作为间墙(公共墙)将阳光间与室内空间分隔开来,利用附加阳光间收集太阳热辐射进行供暖。集热蓄热墙式太阳房是在南墙外侧加设透光玻璃组成集热蓄热墙,透光玻璃与墙体之间留有60mm~100mm厚的空气层,并设有上下风口及活门,利用集热蓄热墙收集、吸收太阳热辐射进行供暖。直接受益式或附加阳光间式太阳房白天升温快,昼夜温差大,因而适用于在白天使用的房间,如起居室。集热蓄热墙白天升温慢,夜间降温也慢,昼夜温差小,因而适用于主要在夜间使用的房间。 4.4.10 气候寒冷的地区由于夜间通过外窗的热损失占很大比例,因此宜采用双层玻璃,经济条件好的可选用低辐射LOW-E玻璃。 4.4.11 附加阳光间是实体墙与直接受益式太阳房的混合变形。附加阳光间增加了地面部分为蓄热体,同时减少了温度波动和眩光。采用阳光间集热时,要根据设定的太阳能节能率确定集热负荷系数,选取合理的玻璃层数和夜间保温装置。阳光间进深加大,将会减少进入室内的热量,本身热损失加大。当进深为1.2m时,对太阳能利用率的影响系数为85%左右。阳光间的玻璃不宜直接落地,以免加大热损失,建议高出地面0.3m~0.5m。 4.4.12 集热蓄热墙式是对直接受益式的一种改进,在玻璃与它所供暖的房间之间设置了蓄热体。与直接受益式比较,由于其良好的蓄热能力,室内的温度波动较小,热舒适性较好。但是集热蓄热墙系统构造较复杂,系统效率取决于集热蓄热墙体的蓄热能力、是否设置通风口以及外表面玻璃的热工性能。经过分析计算,在总辐射强度
4.4.13 在利用太阳能被动供暖的房间中,为了营造良好的室内热环境,需要注意两点:一是设置足够的蓄热体,防止室内温度过大波动;二是蓄热体应尽量布置在能受阳光直接照射的地方。参考国外经验,单位集热窗面积,宜设置3倍以上面积的蓄热体。 4.4.14 被动式太阳房获取太阳热能主要靠南向集热窗,而它既是得热部件,又是失热部件,要通过计算分析来确定开窗面积和窗的热工性能,使其在冬季进入室内的热量大于其向外散失的热量。 南向窗的选取需要同时考虑太阳透光系数及保温热阻。确定建筑围护结构传热系数的限值时,不仅要考虑节能率,也要从工程实际的角度考虑可行性及合理性。建筑围护结构的热工性能直接影响到居住建筑供暖和空调降温的负荷与能耗,应予以严格控制。当不能满足本条规定限值要求时,需要进行节能性能计算,确定开窗面积和窗的热工性能,使其在冬季进入室内的热量大于其向外散失的热量。
5 围护结构保温隔热5.1 一般规定 5.1 一般规定5.1.1 严寒和寒冷地区农村居住建筑宜采用保温性能好的围护结构构造形式;夏热冬冷和夏热冬暖地区农村居住建筑宜采用隔热性能好的重质围护结构构造形式。 条文说明
5.1.2 农村居住建筑常用的保温材料可参考表1选用。材料保温性能会受到环境湿度和使用方式的影响,具体影响程度参见现行国家标准《民用建筑热工设计规范》GB 50176-93中附表4.2。 表1 常用的保温材料性能
续表1
5.1.4 本条节能措施非常适合我国夏热冬冷和夏热冬暖地区的气候特点,充分考虑了利用气候资源达到改善室内热环境和建筑节能的目的。
图3 隔热通风屋面示意
1-40厚钢筋混凝土板;2-180厚通风空气间层;3-防水层;4-20厚水泥砂浆找平层;5-找坡层;6-保温层;7-20厚水泥砂浆;8-钢筋混凝土屋面板
5.2 围护结构热工性能5.2.1 严寒和寒冷地区农村居住建筑围护结构的传热系数,不应大于表5.2.1中的规定限值。 表5.2.1 严寒和寒冷地区农村居住建筑围护结构传热系数限值
表5.2.2 夏热冬冷和夏热冬暖地区围护结构传热系数、热惰性指标及遮阳系数的限值
条文说明
5.2.1 目前农村建筑围护结构热工性能普遍较差,提高围护结构热工性能是严寒和寒冷地区农村居住建筑节能,改善室内热环境的关键技术措施。表5.2.1中所列出的严寒和寒冷地区农村居住建筑的围护结构传热系数限值是根据严寒和寒冷地区农村居住建筑调研结果,选取严寒和寒冷地区典型农村居住建筑,经计算得到。以典型农村居住建筑为例,以表5.2.1中数据计算得到的建筑能耗,与按目前农村居住建筑典型围护结构做法计算得到的建筑能耗值比较,节能率约在50%左右,增量成本控制在建筑造价的20%以内。 严寒和寒冷地区农村居住建筑多为单层或二层建筑,体形系数较大,规定限值下计算的节能率虽然为50%,但热工性能指标仍远低于现行国家标准《严寒和寒冷地区居住建筑节能设计标准》JGJ26-2010中规定的小于或等于3层的居住建筑的相应指标。主要原因是节能措施实施以前,城市的建筑围护结构热工性能比农村好得多。 5.2.2 表5.2.2列出的围护结构传热系数限值是根据夏热冬冷地区(成都浦江)、夏热冬暖地区(中山三乡)示范建筑数值模拟计算及现场测试数据确定的,当围护结构热工性能满足表5.2.2要求时,基本能够保证在无任何供暖和空气调节措施下,室内温度冬季不低于8℃,夏季室内温度不高于30℃。同时,考虑到农村的实际情况,本着易于施工、经济合理的原则,整体热工性能要求比城市建筑偏低。 建筑围护结构采用重质型材料时,对建筑室内热稳定性起到良好的效果,因此本标准根据热惰性指标D值是否大于2.5,对外墙、屋面提出不同的传热系数限值要求。夏热冬冷地区建筑外窗形式的选择根据房间使用功能的不同分别确定,即卧室、起居室等功能房间作为人员主要活动区域,外窗传热系数应小于或等于3.2W/(㎡·K),外窗可采用普通塑钢中空玻璃窗或断热铝合金中空玻璃窗;厨房、卫生间、储藏间等功能房间人员活动频率低,外窗传热系数小于或等于4.7W/(㎡·K),外窗采用塑钢单层玻璃窗即满足要求。根据房间使用功能确定外窗形式便于农户操作,是一种经济有效、适宜的节能方式。夏热冬暖地区重点考虑夏季隔热,因此仅对卧室、起居室的外窗提出要求,其传热系数不高于4.0W/(㎡·K),同时对外窗遮阳系数SC进行限制,即SC≤0.5,可通过有效的外遮阳措施或采用吸热玻璃达到相应要求。
5.3 外墙5.3.1 严寒和寒冷地区农村居住建筑的墙体应采用保温节能材料,不应使用黏土实心砖。 条文说明
5.3.1 农村居住建筑应选择适合当地经济技术及资源条件的建筑材料,常用的保温节能墙体砌体材料可按表2选用。表A.0.1中给出的外墙保温构造形式主要来自各地示范工程的实际做法,可参考选用。其他保温构造形式如能满足不同气候区外墙的传热系数限值要求,也可选用。 表2 保温节能墙体砌体材料性能
5.3.3 夹心保温构造中内叶墙与外叶墙之间的钢筋拉结措施可采用经过防腐处理的拉结钢筋网片或拉结件,配筋尺寸应满足拉结强度要求。7~8度抗震设防地区夹心墙体应设置通长钢筋拉结网片,沿墙身高度每隔400mm设一道。 6度抗震设防地区的夹心墙体可采用拉结件和拉结钢筋网片配合的拉结方式。拉结件的竖向间距不宜大于400mm,水平间距不宜小于800mm,且应梅花形布置。具体设计要求详见《夹心保温墙结构构造》07SG617。
图4 夹心墙体通气孔设置示意 1-240mm砖墙;2-细钢丝网;3-直径20mmPVC透气口;4-40mm空气层;5-塑料薄膜防潮层;6-挑砖;7-120mm砖墙;8-草板保温层 5.3.5 在窗过梁、外墙与屋面、外墙与地面的交接部位易形成“热桥”。为保证热桥部位的内表面温度在室内外空气设计温、湿度条件下高于露点温度(露点温度根据现行国家标准《民用建筑热工设计规范》GB 50176的规定计算),需要采用额外的保温措施或选取截断热桥的构造形式。外墙出挑构件及附墙部件主要有阳台、雨篷、挑檐、凸窗等。 5.4 门窗5.4.1 农村居住建筑应选用保温性能和密闭性能好的门窗,不宜采用推拉窗,外门、外窗的气密性等级不应低于现行国家标准《建筑外门窗气密、水密、抗风压性能分级及检测方法》GB/T 7106规定的4级。 条文说明
5.4.1 农村居住建筑的外门和外窗可按表3和表4选用。 表3 农村居住建筑外门
表4 农村居住建筑外窗
推拉窗的封闭性比较差,平开窗的窗扇和窗框间一般采用良好的橡胶密封压条,在窗扇关闭后,密封橡胶压条压得很紧,几乎没有空隙,很难形成对流。这种窗型的热量流失主要是玻璃、窗扇和窗框型材的热传导和辐射散热,这种散热远比对流热损失少,因此农村居住建筑外窗宜选择平开窗。
图5 双层门
图6 门斗 5.5 屋面5.5.1 严寒和寒冷地区农村居住建筑的屋面应设置保温层,屋架承重的坡屋面保温层宜设置在吊顶内,钢筋混凝土屋面的保温层应设在钢筋混凝土结构层上。 条文说明
5.5.1 农村居住建筑的屋面按形式可分为平屋面和坡屋面。平屋面通常采用钢筋混凝土作为结构层,保温层通常铺设在钢筋混凝土板的上方(图7),可以保护结构层免受自然界的侵袭。坡屋面是木屋架或钢屋架承重,该做法在农村居住建筑中较为常见,坡屋面的保温层宜设置在吊顶上(图8),不仅可以避免屋顶产生热桥,而且方便施工。
图7 钢筋混凝土平屋面保温构造示意
1-保护层;2-防水层;3-找平层;4-找坡层;5-保温层;6-隔汽层;7-找平层;8-钢筋混凝土屋面板
图8 木屋架坡屋面保温构造示意 1-面层;2-防水层;3-望板;4-屋架;5-保温层;6-隔汽层;7-棚板;8-吊顶 屋面保温材料宜选择憎水性保温材料,如模塑聚苯乙烯泡沫塑料板或挤塑聚苯乙烯泡沫塑料板。坡屋面吊顶内的保温材料也可采用草木灰、稻壳、锯末以及生物质材料制成的板材。当选用草板以及草木灰、稻壳、锯末等保温材料时,一定要做好保温材料的防潮措施。对于散材类保温材料要每年进行一次维护,及时填补保温材料缺失的部位,如屋顶四角处。
图9 种植屋面构造示意
1-植被层;2-基质层;3-隔热过滤层;4-排(蓄)水层;5-防水层;6-钢筋混凝土结构层
5.6 地面5.6.1 严寒地区农村居住建筑的地面宜设保温层,外墙在室内地坪以下的垂直墙面应增设保温层。地面保温层下方应设置防潮层。 条文说明
5.6.1 严寒地区建筑外墙内侧0.5m~1.0m范围内,由于冬季受室外空气及建筑周围低温土壤的影响,将有大量的热量从该部分传递出去,这部分地面温度往往很低,甚至低于露点温度。不但增加供暖能耗,而且有碍卫生,影响使用和耐久性,因此这部分地面应做保温处理。考虑到施工方便及使用的可靠性,建议地面全部保温,这样有利于提高用户的地面温度,并避免分区设置保温层造成的地面开裂问题,具体做法如图10和图11所示。
图10 室内地坪以下墙面保温做法示意
1-室内地坪;2-保温层延至基础
图11 地面保温做法示意
1-面层;2-40厚细石混凝土保护层;3-保温层;4-防潮层;5-20厚1:3水泥砂浆找平层;6-垫层;7-素土夯实层(以上各层具体做法参照当地标准图)
保温材料宜选用挤塑型聚苯乙烯泡沫塑料板,应分层错缝铺贴,板缝隙间应用同类材料嵌填密实。 6 供暖通风系统6.1 一般规定 6.1 一般规定6.1.1 农村居住建筑供暖设计应与建筑设计同步进行,应结合建筑平面和结构,对灶、烟道、烟囱、供暖设施等进行综合布置。
条文说明
6.1.1 根据住户需求及生活特点,对灶、烟道、烟囱等这些与建筑结合紧密的设施预留好孔洞和摆放位置。合理摆放供暖设施位置及其散热面,烟囱、烟道、散热器的布置走向顺畅,不宜影响家具布置和室内美观,并注意高温表面的防护安全。6.1.2 本着因地制宜的原则,严寒和寒冷地区农村居住建筑内宜采用以利用农村地区充足的生物质资源为燃料的供暖设施,以煤、天然气等其他形式能源作为补充。夏热冬冷地区冬季室外气温相对较高,且低温持续时间较短,宜在卧室、起居室等人员活动密集的房间内采用局部供暖措施。 6.1.3 对于农村地区,利用自然通风不仅远比电风扇和空调降温节能,而且可以有效改善室内热环境和空气品质,是夏季室内降温的最佳选择。自然通风主要通过合理的建筑布局、良好的建筑朝向以及开窗形式等,利用风压和热压原理达到排出室内热空气的目的。 6.1.4 进行气密性处理,既是为了防止烟气泄露造成室内空气污染、CO中毒等事件发生,同时为了有效地提高生物质燃料的燃烧效率和热利用率。对于设置有火炕、火墙、燃烧器具的房间,其换气次数不应低于0.5h-1。 关于供暖用燃烧器具,现行标准有: 《民用柴炉、柴灶热性能测试方法》NY/T 8-2006 《民用火炕性能试验方法》NY/T 58-2009 《家庭用煤及炉具试验方法》GB/T 6412-2009 《民用水暖煤炉热性能试验方法》GB/T 16155-2005 《生活锅炉热效率及热工试验方法》GB/T 10820-2011 《燃气采暖热水炉》CJ/T 228-2006 《家用燃气快速热水器和燃气采暖热水炉能效限定值及能效等级》GB 20665-2006 《民用省柴节煤灶、炉、炕技术条件》NY/T 1001-2006 《民用水暖煤炉通用技术条件》GB/T 16154-2005 《小型锅炉和常压热水锅炉技术条件》JB/T 7985-2002 《家用燃气燃烧器具安全管理规则》GB 17905-2008
6.2 火炕与火墙6.2.1 农村居住建筑有供暖需求的房间宜设置灶连炕。 条文说明
6.2.1 农村居住建筑应首先考虑充分利用炊事产生的烟气余热供暖。火炕具有蓄热量大、放热缓慢等特点,有利于在间歇运行的情况下维持整个房间的温度。将火炕和灶或炉具结合形成灶连炕是一种有效的充分利用能源的方式。对于没有灶或炉具等产生高温余热的设施,可考虑只设火炕,利用炕腔作为燃烧室,但注意避免局部过热。
图12 火炕的构造示意 单纯依赖火炕难以满足房间供暖需求时,可以选择火墙式火炕,或者辅以热水供暖系统、火炉等较灵活的供暖方式。火墙式火炕(也称炕火墙)是将传统落地炕靠近炕沿的内部设置燃烧室和烟道,使炕前墙的垂直壁面变成火墙的一种改进火炕形式。该采暖形式使火炕和火墙互相取长补短,提高了炕面温度的均匀性,解决炕下区域较凉的问题,同时提高了散热强度,可以迅速提高室温,灵活地满足室内采暖需求。
图13 倒卷帘式烟道 灶膛要利于形成最佳的燃烧空间,空间太大,耗柴量增加,灶膛温度低;空间太小,添柴次数增加,且影响燃烧放热。其形状大小应根据农户日常所烧燃料种类确定。例如烧煤、木柴类就可以小一些,烧秸秆类的就适当增大一些。在灶内距离排烟口近的一侧多抹一层泥,相反的另一侧少抹一层;锅沿处留出一定空间使灶膛上口稍微收敛成缸形。内壁光滑、无裂痕。
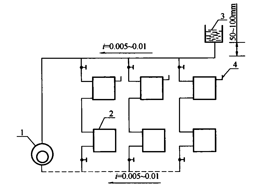
图14 火墙式火炕内部构造 6.2.8 火墙以辐射换热为主,为使其热量主要作用在人员活动区,其高度不宜过高,应控制在2m以下,宜为1.0m~1.8m。如果火墙位置过高,则在人员呼吸带以下1.0m的空间温度过低,室内顶棚下温度过高,人员经常活动范围内将起不到供暖作用。火墙长度根据房间合理设置,为了保证烟气流动的充分换热,长度宜控制在1.0m~2.0m之间。火墙的长度过长,在受到不均匀加热时引起热胀冷缩,易产生裂缝,甚至喷出火花引起火灾。 6.3 重力循环热水供暖系统6.3.1 农村居住建筑宜采用重力循环散热器热水供暖系统。 条文说明
6.3.1 农村居住建筑内安装的散热器热水供暖系统通常都采用重力循环方式,重力循环热水供暖系统的作用压力由两部分构成,一是供暖炉加热中心和散热器散热中心的高度差内供回水立管中水温不同产生的作用压力;二是由于水在管道中沿途冷却引起水的密度增大而产生的附加压力。重力循环热水供暖系统的作用压力越大,系统循环越有利。在供回水密度一定的条件下,散热器散热中心与供暖炉加热中心的高差越大,系统的重力循环作用压力就越大;供水干管与供暖炉中心的垂直距离越大,管道散热及水温的沿途改变所引起的附加压力也越大。 表5 重力循环热水供暖系统的作用半径(m)
表5中的作用半径数值是在供水干管高于供暖炉加热中心1.5m的垂直高度下计算得到的。
图15 单层农村居住建筑供水干管的安装位置高度关系示意 1-供暖炉;2-散热器;3-膨胀水箱;4-自动排气阀;5-排气管 6.3.7 单层农村居住建筑的膨胀水箱宜连接到靠近供暖炉的总回水干管上。由于膨胀水箱需要经常加水,因此膨胀水箱与回水总干管的连接点宜靠近供暖炉,但膨胀水箱应与供暖炉保持一定的水平间距,防止膨胀水箱溢水时,水溅到供暖炉上,两者间水平距离应大于0.3m。系统不循环时,膨胀水箱中的水位即为系统水位高度,为了避免系统缺水,特别是供水干管空管,膨胀水箱的安装高度(即下端)应高出供水干管30mm~50mm,膨胀水箱中如果有一定的水位,供水干管就不会出现空管现象。
图16 二层以上农村居住建筑膨胀水箱的安装位置
1-供暖炉;2-散热器;3-膨胀水箱;4-散热器手动排气阀
6.4 通风与降温6.4.1 农村居住建筑的起居室、卧室等房间宜利用穿堂风增强自然通风。风口开口位置及面积应符合下列规定:
条文说明
6.4.1 穿堂风是我国南方地区传统建筑解决潮湿闷热和通风换气的主要方法,不论是在建筑群体的布局上,或是在单个建筑的平面与空间构成上,都非常注重穿堂风的形成。 建筑与房间所需要的穿堂风应满足两个要求,即气流路线应流过人的活动范围和建筑群与房间的风速应达到0.3m/s以上。要满足这两个要求,必须正确选择建筑的朝向、间距,合理地布置建筑群,选择合理的建筑平、剖面形式,合理地确定建筑开口部分的面积与位置、门窗的装置与开启方式和通风的构造措施等。 6.4.2 受到各种不可避免的因素限制,必须采取单侧通风时,通风窗所在外墙与主导风向间的夹角宜为40°~65°,使进风气流深入房间。 6.4.3 厨房内热源较大,比较适宜利用热压来加强自然通风,可通过设置烟囱或屋顶上设置天窗达到通风降温的目的。当采用自然通风无法达到降温要求及室内环境品质要求时,应设置机械排风装置。 6.4.4 生态植被绿化屋面是利用植物叶面的光合作用,吸收太阳的热辐射,达到隔热降温的目的。不仅具有优良的保温隔热性能,而且也是集环境生态效益、节能效益和热环境舒适效益为一体的、最佳的建筑屋顶形式,最适宜于夏热冬冷和夏热冬暖地区应用。测试数据表明,在室内空调状态下,无绿化屋顶内表面温度与室内气温相差3.9℃,而绿化屋顶内表面温度与室内气温相差1℃;在室内自然状态下,有绿化屋顶的房间空气温度和内表面温度比无绿化屋顶平均低3.2℃和3.8℃。 隔热通风屋顶在我国夏热冬冷地区和夏热冬暖地区广泛采用,尤其是在气候炎热多雨的夏季,这种屋面构造形式更显示出它的优越性。由于屋盖由实体结构变为带有封闭或通风的空气间层结构,大大地提高了屋盖的隔热能力。通过测试表明,通风屋面和实砌屋面相比,虽然两者的热阻相等,但它们的热工性能有很大的不同,以重庆市荣昌节能试验建筑为例,在自然通风条件下,实砌屋顶内表面温度平均值为35.1℃,最高温度达38.7℃;通风屋顶内表面温度平均值为33.3℃,最高温度为36.4℃;在连续空调状态下,通风屋顶内表面温度比实砌屋面平均低2.2℃。而且,通风屋面内表面温度波的最高值比实砌屋面要延后3h~4h,显然通风屋顶具有隔热好、散热快的特点。 屋面多孔材料被动蒸发冷却降温技术是利用水分蒸发消耗大量的太阳能,以减少传入建筑物的热量,在我国南方实际工程应用有非常好的隔热降温效果。据测试,多孔材料蓄水蒸发冷却是在屋顶铺设多孔含湿材料,其效果可使建筑屋面降温约2.5℃,屋顶内表面温度约降5℃;优于现行的传统蓄水屋面。 6.4.5 在一些极端天气条件下,被动式降温无法满足室内热环境的要求,如果经济水平允许,农户可以选择空调降温。目前,市场上有多种空调系统,如分体空调、户式中央空调、多联机等。由于农村居住建筑一般只在卧室、起居室等主要功能房间使用空调,且各房间同时使用空调的情况较少,因此建议使用分体式空调,灵活调节空调使用的时间,达到节能目的。 能效比是衡量空调器的重要经济性指标,能效比高,说明该种系统具有节能、省电的先决条件。用户选设备时,可以根据产品上的能效标识来辨别能效比。能效标识分为1、2、3共3个等级,等级1表示产品达到国际先进水平,最节电,即耗能最低,能效比3.6以上;等级2表示比较节电,能效比3.4~3.6;等级3是市场准入指标,低于该等级要求的产品不允许生产和销售,能效比3.2~3.4。 6.4.6 在我国气候比较干燥的西部和北部地区,宜采用直接蒸发冷却式空调方式。直接蒸发冷却式空调方式是将地表水过滤后直接通入风机盘管或者其他空调机组中,直接利用蒸发冷却来降低室内空气温湿度。需要注意的是风机盘管要尽量选择负荷偏大、高风量的干式风盘机组。
7 照明7.0.1 农村居住建筑每户照明功率密度值不宜大于表7.0.1的规定。当房间的照度值高于或低于表7.0.1规定的照度时,其照明功率密度值应按比例提高或折减。 表7.0.1 每户照明功率密度值
7.0.2 农村居住建筑应选用节能高效光源、高效灯具及其电器附件。
条文说明
7.0.1 照明功率密度的规定就是要求在照明设计中,满足作业面照明标准值的同时,通过选择高效节能的光源、灯具与照明电器,使房间的照明功率密度不超过限值,以达到节能目的。本条中照明功率密度值引自现行国家标准《建筑照明设计标准》GB 50034。农村居住建筑的照明功率密度值是按每户来计算的。 现行国家标准《建筑照明设计标准》GB 50034中规定我国建筑室内照度标准值分级为:0.5、1、3、5、10、15、20、30、50、75、100、150、200、300、500、750、1000、1500、2000、3000、5000lx。根据农村居住建筑的实际使用情况,当使用者视觉能力低于正常能力或建筑等级和功能要求高时,可按照度标准值分级提高一级。当建筑等级和功能要求较低时,可按照度标准值分级降低一级。相应的照明功率密度值应按比例提高或折减。 7.0.2 为了在保障照明条件的前提下,降低照明耗电量,达到节能目的,在照明光源选择上应避免使用光效低的白炽灯。细管径荧光灯(T5型等)、紧凑型荧光灯、LED光源等具有光效高、光色好、寿命较长等优点,是目前比较适合农村居住建筑室内照明的高效光源。 灯具的效率会直接影响照明质量和能耗。在满足眩光限制要求下,照明设计中宜多注意选择直接型灯具。室内灯具效率不宜低于70%。同时应选用利用系数高的灯具。 7.0.3 当采用普通开关时,农村居住建筑公共部位的灯常因开关不便而变成“长明灯”,造成电能浪费和光源损坏。采用双控或多控开关方便人工开闭,以达到节能目的。 7.0.4 为了能够使农村居民了解自身用电情况,规范用电行为,达到行为节能目的,每户应安装电能计量装置。计量装置的选取应根据家庭电器数量及用电功率大致估算后,选用与之匹配的电能计量装置。 7.0.5 使三相负荷保持平衡,可减少电能损耗。 7.0.6 农村居住建筑应根据电网对功率因数的要求,合理设置无功功率补偿装置。一般在低压母线上设置集中电容补偿装置;对功率因数低,容量较大的用电设备或用电设备组,且离变电所较远时,应采取就地无功功率补偿方式。同时,为提高供电系统的自然功率因数,应优先选用功率因数高的电气设备和照明灯具。 7.0.7 农村居住建筑应充分利用天然采光营造室内适宜的光环境,充足的天然采光有利于居住者的生理和心理健康,同时也利于降低人工照明能耗。本条指明房间的天然采光应符合现行国家标准《建筑采光设计标准》GB 50033的规定。 7.0.8 农村地区相比城市具有太阳能、风能利用的优势,采用太阳能光伏发电或风力发电能有效地减少矿物质能源的消耗,符合节能原则。但这些能源系统中都含有蓄能装置,根据我国目前的情况,当蓄能装置寿命终结后,其处理方式会对自然环境带来一定的负面影响。本条文倡导在无电网供电的农村地区利用太阳能、风能等可再生能源作为照明能源,旨在节能的同时注重环境保护。
8 可再生能源利用8.1 一般规定 8.1 一般规定8.1.1 农村居住建筑利用可再生能源时,应遵循因地制宜、多能互补、综合利用、安全可靠、讲求效益的原则,选择适宜当地经济和资源条件的技术实施。有条件时,农村居住建筑中应采用可再生能源作为供暖、炊事和生活热水用能。 条文说明
8.1.1 根据2008中国能源统计年鉴,2007年底,我国商品能源消费总量为26.5583亿吨标准煤,生活消费商品用能2.6790亿吨标准煤。其中,农村地区生活消费商品用能约为1亿吨标准煤,沼气、秸秆、薪柴等非商品用能约为2.6亿吨标准煤,如果全部转化为商品能源,则农村地区生活消费用能将达3.6亿吨标准煤,占全国商品能源消费总量的13.6%。 表6 各地区适宜采用的生物质能利用方式
8.1.4 地源热泵系统是浅层地热能应用的主要方式。地源热泵系统是以岩土体、地下水或地表水为低温热源,利用热泵将蓄存在浅层岩土体内的低温热能加以利用,对建筑物进行供暖空调的系统。由水源热泵机组、地热能交换系统、建筑物内系统组成。根据地热能交换系统形式的不同,地源热泵系统分为地埋管地源热泵系统(又称土壤源热泵系统)、地下水地源热泵系统和地表水地源热泵系统。
图17 地埋管地源热泵系统示意
地下水地源热泵系统(图18)分为两种,一种通常被称为开式系统,另一种则为闭式系统。开式地下水地源热泵系统是将地下水直接供应到每台热泵机组,之后将井水回灌地下。闭式地下水地源热泵系统是将地下水和建筑内循环水之间用板式换热器 分开的。深井水的水温一般约比当地气温高1℃~2℃。我国东北北部地区深井水水温约为4℃,中部地区约为12℃,南部地区约为12℃~14℃;华北地区深井水水温约为15℃~19℃;华东地区深井水的水温约为19℃~20℃;西北地区浅井水水温约为16℃~18℃,深井水水温约为18℃~20℃;中南地区浅井水水温约为20℃~21℃。地下水地源热泵系统应用时,应确保地下水全部回灌到同一含水层。
图18 地下水地源热泵系统示意 地表水地源热泵系统(图19)分为开式和闭式两种形式。开式系统指地表水在循环泵的驱动下,经处理直接流经水源热泵 机组或通过中间换热器进行热交换的系统;闭式系统指将封闭的换热盘管按照特定的排列方法放入具有一定深度的地表水体中,传热介质通过换热管管壁与地表水进行热交换的系统。地表水地源热泵系统应用时,应综合考虑水体条件,合理设置取水口和排水口,避免水系统短路。
图19 地表水地源热泵系统示意
8.2 太阳能热利用8.2.1 农村居住建筑中使用的太阳能热水系统,宜按人均日用水量30L~60L选取。
条文说明
8.2.1 选用太阳能热水系统时,宜按照家庭中常住人口数量来确定水容量的大小甲考虑到农民的生活习惯和经济承受能力,设定人均用水量为30L~60L。 8.2.2 在农村居住建筑中,普遍使用家用太阳能热水系统提供生活热水。至2007年,农村中太阳能热水器保有量达4300万m2 (约为2150万户)。随着家电下乡的热潮,其在农村的使用更加广泛,但是由于产品良莠不齐,造成的产品纠纷以及安全隐患也在增加,所以,应选择符合现行国家标准《家用太阳热水系统技术条件》GB/T 19141的产品。 紧凑式直接加热自然循环的家用太阳能热水系统是最节能的,集热管(板)直接与贮热水箱连接的紧凑式,无需管路或管路很短,从而减少集热部分损失;集热管(板)中水与贮热水箱中水连通的直接加热,换热效率高;自然循环系统无需水泵等加压装置,减少造价和运行费用,较适宜农村居住建筑使用。 在分散的农村居住建筑中,采用生物质能或燃煤作为供暖或炊事用热时,太阳能热水系统与其结合使用,保证连续的热水供应。当太阳能家用热水系统仅供洗浴需求时,不必再设置一套燃烧系统增加系统造价。 8.2.3 由于建筑物的供暖负荷远大于热水负荷,为了得到更大的节能效益,在太阳能资源较丰富的地区,宜采用太阳能热水供热供暖技术或主被动结合的空气供暖技术。 太阳能热水供热供暖技术采用水或其他液体作为传热介质,输送和蓄热所需空间小,与水箱等蓄热装置的结合较容易,与锅炉辅助热源的配合也较成熟,不但可以直接供应生活热水,还可与目前成熟的供暖系统如散热器供暖、风机盘管供暖和地面辐射供暖等配套应用,在辅助热源的帮助下可以保证建筑全天候都具备舒适的热环境。但是,采用水或其他液体作为传热介质也为系统带来了一些弊端,首先,系统如果因为保养不善或冻结等原因发生漏水时,不但会影响系统正常运行,还会给居民的财产和生活带来损失;其次,系统在非供暖季往往会出现过热现象,需要采取措施防止过热发生;系统传热介质工作温度较高,集热器效率较低,系统造价较高。 与热水供热供暖系统相比,空气供暖系统的优点是系统不会出现漏水、冻结、过热等隐患,太阳得热可直接用于热风供暖,省去了利用水作为热媒必需的散热装置;系统控制使用方便,可与建筑围护结构和被动式太阳能建筑技术很好结合,基本不需要维护保养,系统即使出现故障也不会带来太大的危害。在非供暖季,需要时通过改变进出风方式,可以强化建筑物室内通风,起到辅助降温的作用。此外,由于采用空气供暖,热媒温度不要求太高,对集热装置的要求也可以降低,可以对建筑围护结构进行相关改造使其成为集热部件,降低系统造价。 8.2.4 建筑物的供暖负荷远大于热水负荷,如果以满足建筑物的供暖需求为主,太阳能供热供暖系统的集热器面积较大,在非供暖季热水过剩、过热,从而浪费投资、浪费资源以及因系统过热而产生安全隐患,所以,太阳能供热供暖系统必须注意全年的综合利用,供暖期提供供热供暖,非供暖期提供生活热水、其他用热或强化通风。此外,太阳能供热供暖技术一般可与被动式太阳能建筑技术结合使用,降低成本。 现行国家标准《太阳能供热采暖工程技术规范》GB 50495基本解决了以上技术问题,目前已取得了良好效果。该标准在设计部分对供热供暖系统的选型、负荷计算、集热系统设计、蓄热系统设计、控制系统设计、末端供暖系统设计、热水系统设计以及其他能源辅助加热/换热设备选型都作出了相应的规定,农村居住建筑太阳能供热供暖系统设计应执行该标准。 8.2.5 太阳能集热器是太阳能供热供暖系统最关键的部件,其性能应符合现行国家标准《平板型太阳能集热器》GB/T 6424、《真空管型太阳能集热器》GB/T 17581和《太阳能空气集热器技术条件》GB/T 26976的规定。液态工质集热器的类型包括全玻璃真空管型、平板型、热管真空管型和U型管真空管型太阳能集热器,其中全玻璃真空管型太阳能集热器效率较高、造价低、安装维护简单,在我国广泛应用。空气集热器是近期发展起来的产品,目前主要用于工业干燥,在以空气为介质的太阳能空气供暖系统中也逐渐得到采用。 8.2.6 太阳能是间歇性能源,在系统中设置其他能源辅助加热/换热设备,既要保证太阳能供热供暖系统稳定可靠运行,又可降低系统的规模和投资,否则将造成过大的集热、蓄热设备和过高的初投资,在经济性上是不合理的。辅助热源应根据当地条件,优先选择生物质燃料,也可利用电、燃气、燃油、燃煤等。加热/换热设备选择生物质炉、各类锅炉、换热器和热泵等,做到因地制宜、经济适用。
8.3 生物质能利用8.3.1 在具备生物质转换技术条件的地区,宜采用生物质转换技术将生物质资源转化为清洁、便利的燃料后加以使用。
条文说明
8.3.1 传统的生物质直接燃烧方式热效率低,同时伴随着大量烟尘和余灰,造成了生物质能源的浪费和居住环境质量的下降。因此,在具备生物质转换条件(生物质资源条件、经济条件及气候条件)的情况下,宜通过各种先进高效的生物质转换技术(如生物质气化技术、生物质固化成型技术等),将生物质资源转化成各种清洁能源(如沼气、生物质气、生物质固化燃料等)后加以使用。 8.3.2 沼气发酵是厌氧发酵,发酵工艺要求沼气池必须严格密封,水压式沼气池池内压强远大于池外大气压强。密封性不好的沼气池不但会漏气,而且会使水压式沼气池的水压功能丧失殆尽,所以必须做好沼气池的密封。由于沼气成分与一般燃气存在较大差异,故应选用沼气专用灶具,以获得最高的利用效率。沼气管路及其阀门管件的质量好坏直接关系到沼气的高效输送和人身安全,因此,其质量及施工验收必须符合国家相关标准规范。 关于沼气灶具及零部件的国家现行标准有: (1)《家用沼气灶》GB/T 3606-2001 (2)《沼气压力表》NY/T 858-2004 (3)《农村家用沼气管路设计规范》GB/T 7636-1987 (4)《农村户用沼气输配系统 第1部分 塑料管材》NY/T 1496.1-2007 (5)《农村户用沼气输配系统 第2部分 塑料开关》NY/T 1496.3-2007 (6)《农村户用沼气输配系统 第1部分 塑料管件》NY/T 1496.2-2007 在沼气发酵过程中,温度是影响沼气发酵速度的关键,当发酵温度在8℃以下时,仅能产生微量的沼气。所以冬季到来之前,户用沼气池应采取保温增温措施,以保证正常产气。通常户用沼气池有以下几种保温增温措施: (1)覆膜保温,在冬季到来之前,在沼气池上面加盖一层塑料薄膜,覆盖面积是池体占地面积的1.2~1.5倍。还可以在池体上面建塑料小拱棚,吸收太阳能增温。 (2)堆物保温,在冬季到来之前,在沼气池和池盖上面,堆集或堆沤热性作物秸秆(稻草、糜草等)和热性粪便(马、驴、羊粪等),堆沤的粪便要加湿覆膜,这样既有利于沼气池保温,又强化堆沤,为明年及时装料创造了条件。 (3)建太阳能暖圈,在沼气池顶部建一猪舍(牛、羊舍),一角处建一厕所,前墙高1.0m,后墙高1.8m~2.0m,侧墙形成弧形状,一般建筑面积16m2~20m2,冬季上覆塑料薄膜,形成太阳能暖圈,一方面促进猪牛羊生长,另一方面有利于沼气池的安全越冬。 我国的规模化沼气工程一般采用中温发酵技术,即维持沼气池内温度在30℃~35℃之间。因此,为了减少沼气池体的热损失,应做好沼气池体的保温措施,我国各地区气候条件差异较大,不同地区沼气池的围护结构传热系数上限值也应不同,具体可参考现行行业标准《严寒和寒冷地区居住建筑节能设计标准》JGJ 26-2010中第4.2.2条的相关规定。为维持沼气池的中温发酵要求,除了保温外,还需配备一套加热系统。应根据规模化沼气工程的特点,选取高效节能的加热方式,如利用沼气发电的冷热电三联供系统的余热、热泵加热和太阳能集热等加热方式,降低沼气设施本身的能耗和提高能源利用效率。 8.3.3 气化机组是指由上料装置、气化炉、净化装置及配套辅机组成的单元。气化效率是指单位重量秸秆原料转化成气体燃料完全燃烧时放出的热量与该单位重量秸秆原料的热量之比。能量转换率是指生物质(秸秆)气化或热解后生成的可用产物中能量与原料总能量的百分比。 8.3.4 生物质固体成型燃料炉的种类众多,根据使用燃料规格的不同,可分为颗粒炉和棒状炉;根据燃烧方式的不同,可分为燃烧炉、半气化炉和气化炉;根据用途不同,可分为炊事炉、供暖炉和炊事供暖两用炉。在选取生物质固体成型燃料炉时,应综合考虑以上各因素,确保生物质固体成型燃料的高效利用。
8.4 地热能利用8.4.1 有条件时,寒冷地区或夏热冬冷地区农村居住建筑可采用地源热泵系统进行供暖空调或地热直接供暖。
条文说明
8.4.1 地源热泵系统可以将蓄存在浅层岩土体中的低品位热能加以利用,有利于节能和改善大气环境。有条件时,寒冷地区可将其作为一种供暖方式供选择。 8.4.2 较大规模指地源热泵系统供暖建筑面积在3000m2以上。地源热泵系统大规模应用时,应符合现行国家标准《地源热泵系统工程技术规范》GB 50366的规定。 8.4.3 地埋管换热器进口水温限值,是为了保证冬季在不加防冻剂的情况下,系统可以正常运行;同时水温过低,也会导致运行效率低下。地埋管应采用化学稳定性好、耐腐蚀、热导率大、流动阻力小的塑料管材及管件。由于聚氯乙烯管处理热膨胀和土壤位移的压力能力弱,所以不推荐在地埋管换热器中使用PVC管。
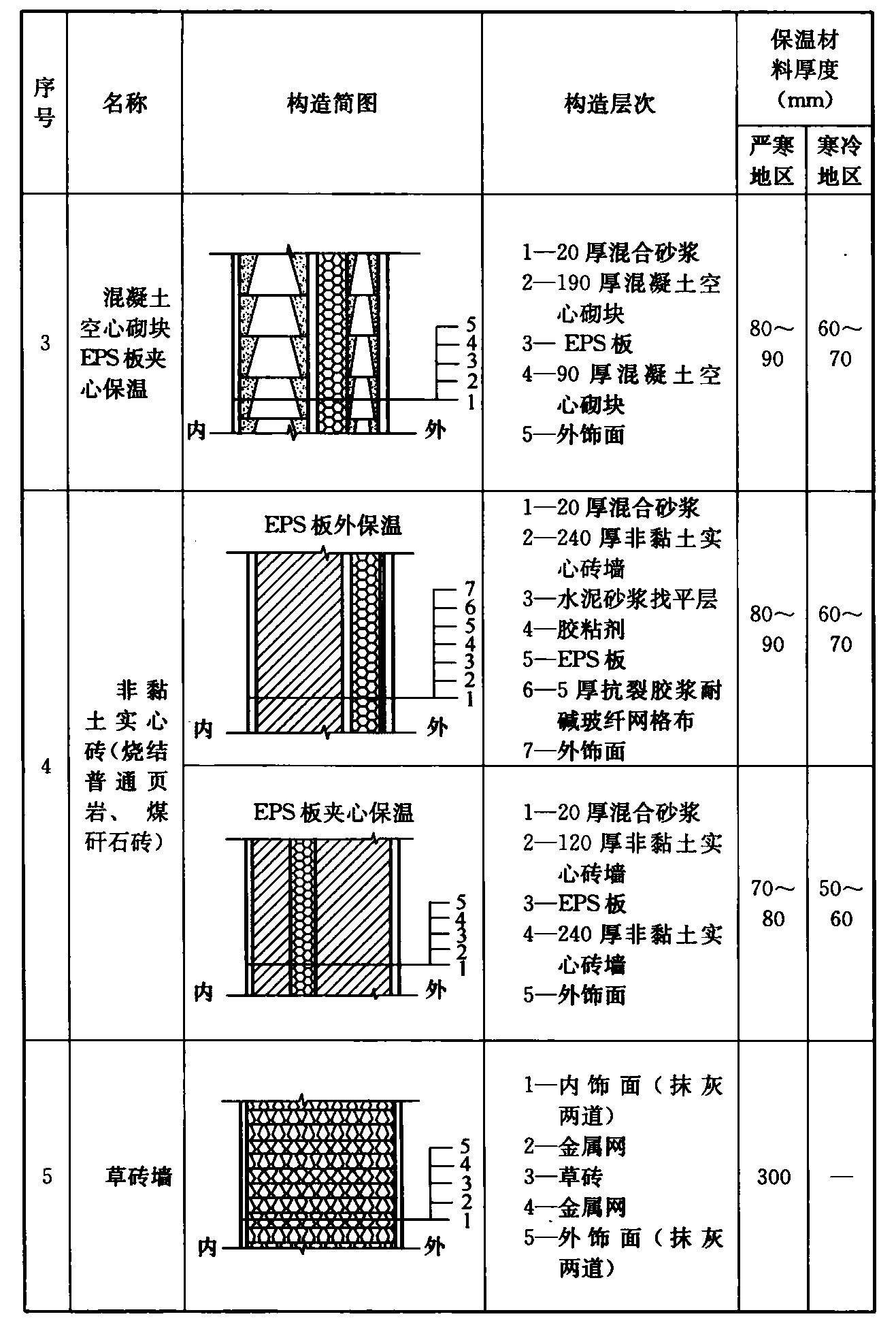
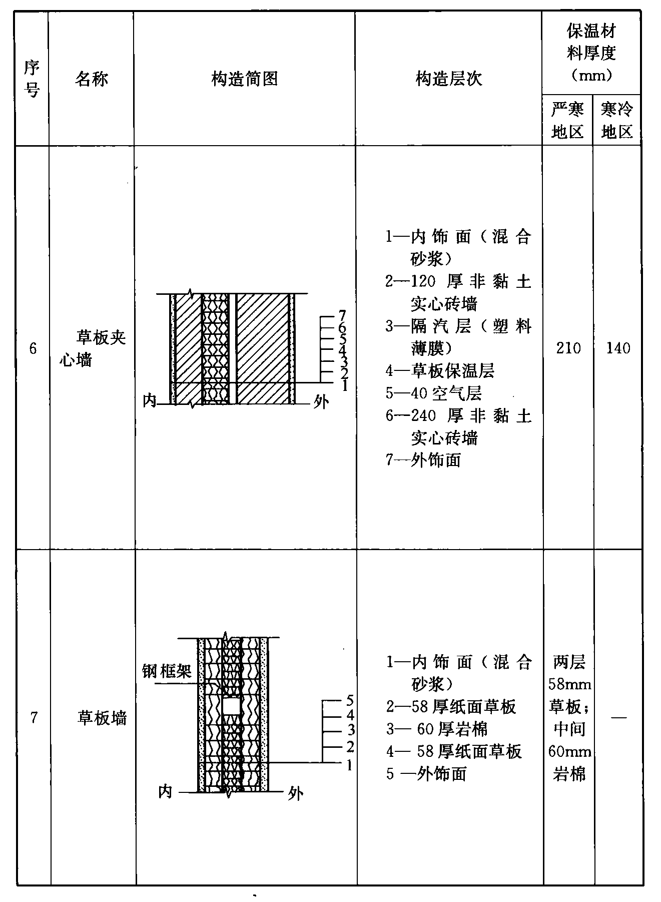
附录A 围护结构保温隔热构造选用A.0.1 严寒和寒冷地区农村居住建筑外墙保温构造形式和保温材料厚度,可按表A.0.1 选用。 表A.0.1 严寒和寒冷地区农村居住建筑外墙保温构造形式和保温材料厚度
续表A.0.1
续表A.0.1
A.0.2 夏热冬冷和夏热冬暖地区农村居住建筑自保温墙体构造形式和材料厚度,可按表A.0.2选用。 表A.0.2 夏热冬冷和夏热冬暖地区农村居住建筑自保温墙体构造形式和材料厚度
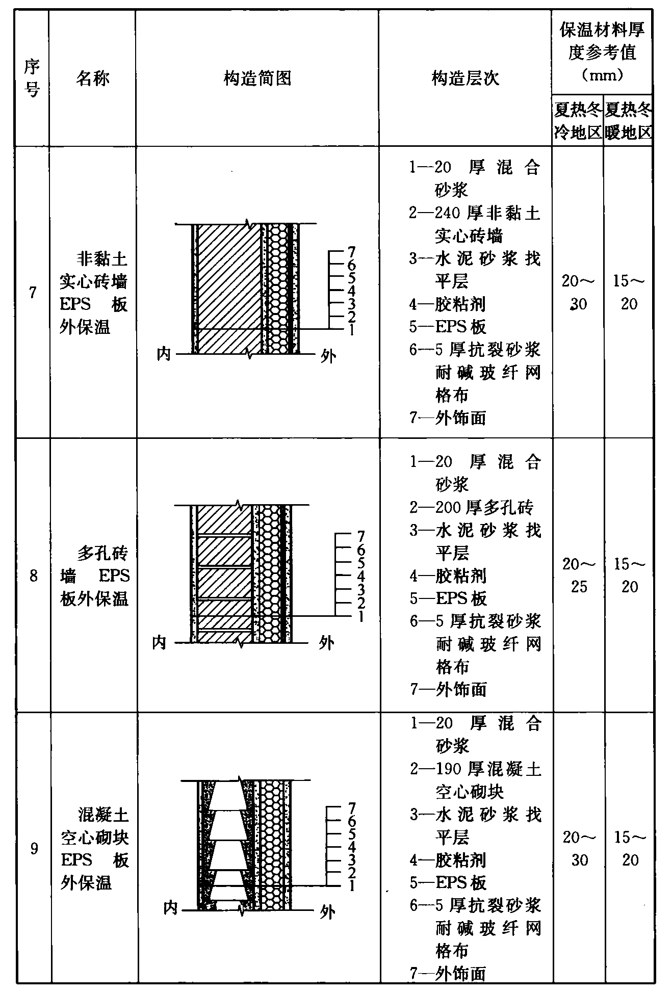
A.0.3 夏热冬冷和夏热冬暖地区农村居住建筑外墙外保温构造形式和保温材料厚度,可按表A.0.3选用。 表A.0.3 夏热冬冷和夏热冬暖地区农村居住建筑外墙外保温构造形式和保温材料厚度
续表A.0.3
续表A.0.3
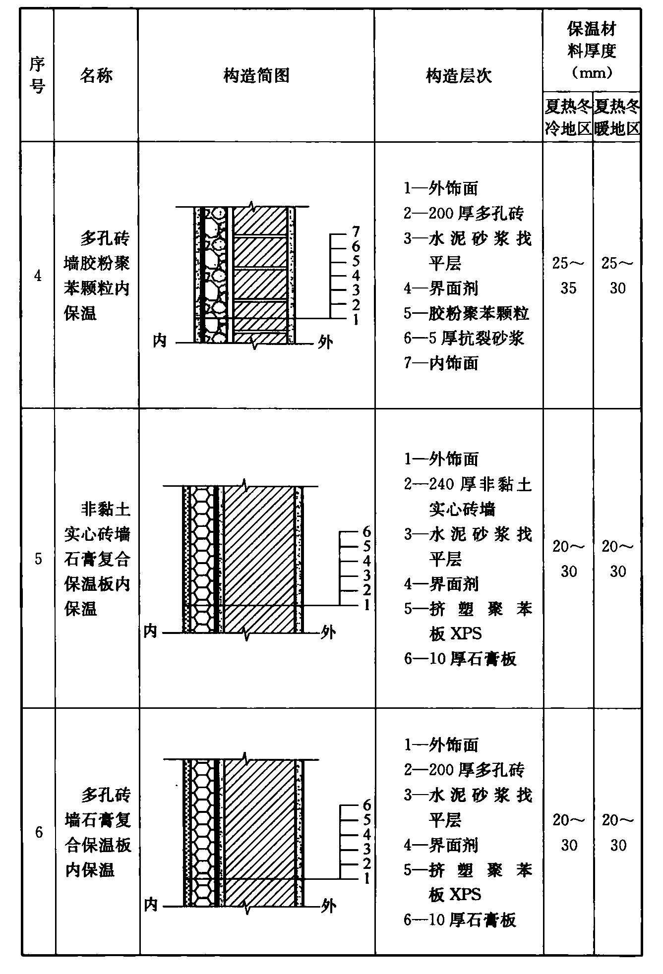
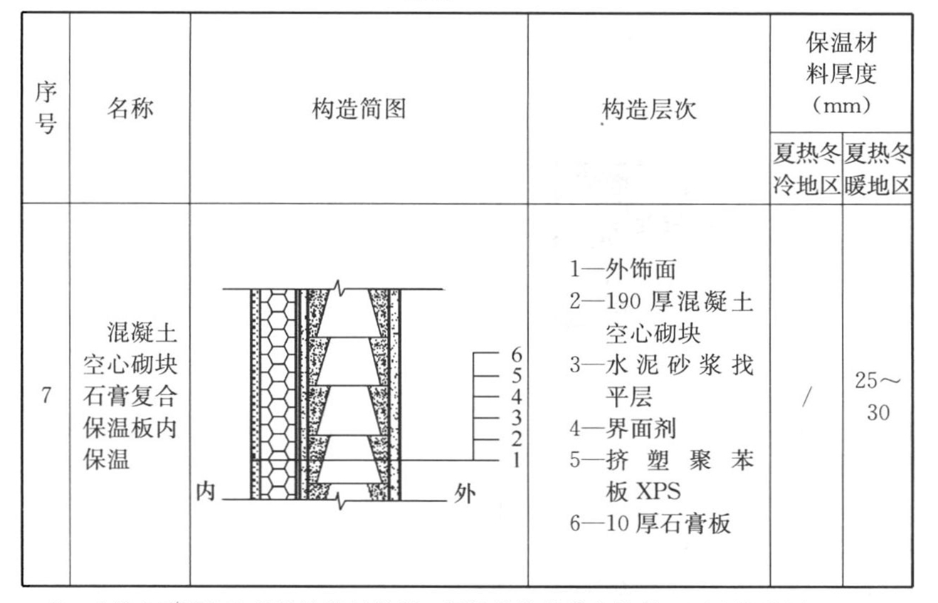
A.0.4 夏热冬冷和夏热冬暖地区农村居住建筑外墙内保温构造形式和保温材料厚度,可按表A.0.4选用。 表A.0.4 夏热冬冷和夏热冬暖地区农村居住建筑外墙内保温构造形式和保温材料厚度
续表A.0.4
续表A.0.4
注:“/”表示该构造热惰性指标偏低,围护结构热稳定性差,不建议采用。 A.0.5 夏热冬冷和夏热冬暖地区外遮阳形式及遮阳系数,可按表A.0.5选用。 表A.0.5 外遮阳形式及遮阳系数
续表A.0.5
注:1 有外遮阳时,遮阳系数为玻璃的遮阳系数与外遮阳的遮阳系数的乘积; A.0.6 严寒和寒冷地区农村居住建筑屋面保温构造形式和保温材料厚度,可按表A.0.6选用。 表A.0.6 严寒和寒冷地区农村居住建筑屋面保温构造形式和保温材料厚度
续表A.0.6
A.0.7 夏热冬冷和夏热冬暖地区农村居住建筑屋面保温构造形式和保温材料厚度,可按表A.0.7选用。 表A.0.7 夏热冬冷和夏热冬暖地区农村居住建筑屋面保温构造形式和保温材料厚度
续表A.0.7
续表A.0.7
本标准用词说明1 为了便于在执行本标准条文时区别对待,对要求严格程度不同的用词说明如下: 引用标准名录 1 《建筑采光设计标准》GB 50033
|
2. 盗版,破解有损他人权益和违法作为,请各位站长支持正版!

国家标准(推荐)